NVIDIA Xavier Series System-on-ChipTechnical Reference ManualXAVIER | TRM | DP-09253-002_V1.3p | SUBJECT TO CHANGE |...
浪潮云数据中心网络解决方案简介随着云计算的普及,大型数据中心架构正在发生着深刻的变化。越来越多的高性能的服务器被部署,虚拟化逐渐成...
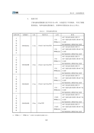
目录一、概述 21.1 总则 2二、项目实施规范 32.1 项目阶段划分 32.2 各阶段规范 32.2.1 项目启动(进场前)32.2.2 项目规划 42....
施工质量管理系统 V1.3 版使用手册北京广联达梦龙软件有限公司2024 年 2 月目录1 端(手机端)31 。 1 系统切换 3 1 。 2 组...
社区商圈系统建设业务需求说明书第 1 页 共 24 页社 区 商 圈 系 统 建 设业 务 需 求 说 明 书V1.3二〇一四年九月社区...
1 . 前言 此文档是在ERP 项目中用于培训的系统操作手册,旨在帮助用户学习和掌握SAP ERP WM 模块系统操作流程和方法。此文档必须结...
单片机与HMI连接技术规范_V1.3_20080618
医院有线电视系统设计方案V1.3
LTE 下行资源调度 1 引言 LTE 系统中的 eNode B 负责管理上行和下行链路信道的资源调度。这个功能的终极目标是在考虑用户各自业务...
DS200N10磁盘阵列用户手册V1.3
2 0 2 2 -4 -2 6 第1 页, 共3 4 页 CMNET城域数据网技术方案 --业务接入、VLAN规划、路由方案 (V1.3) 中国移动通信集团山...
ChipsBankUMPTool量产工具使用说明V1.3
无线AC 控制器 详细配置指南 AC 控制器使用说明书 1 目录 第一章 详细配置指南简介................................................
360 网络安全准入系统技术白皮书 360 网 络 安 全 准 入 系 统 技 术 白 皮 书 奇 虎 360 科 技 有 限 公 司 二...
泽元网站内容管理系统(ZCMS)V1.3模板手册
序号测试项目测试目的测试方法样品数测试标准1低温存储检验手机在低温环境条件下贮存的适应性1)测试机不包装、不带电池。试验箱内任意2部...
北京广联达梦龙软件有限公司 施工质量 APP管理系统 1 / 51 施工质量管理系统 V 1.3 版 使用手册 北京广联达梦龙软件有限公司 2...
ZXMP_S330(V1.3)安装手册[下]
ZTHCAM160门禁控制器安装指南V1.3
LM3S8962开发板用户手册V1.3

