奇瑞汽车股份有限公司前防撞横梁总成设计指南编制:审核:部门批准:技术委员会批准:汽车工程研究院车身部设计指南编号:前防撞横梁总成设...
影响液压软管接头总成质量的因素
2024年动力总成测试设备市场调研报告1.前言动力总成测试设备是汽车制造过程中必不可少的重要设备。它用于对各种动力总成进行性能测试和质量...
新能源汽车产业链之动力总成篇Companynumber:【WTUT-WT88Y-W8BBGB-BWYTT-19998】新能源汽车产业链之动力总成篇动力总成:纯电动汽车的“心...
新能源汽车电驱总成NVH及优化前言:以某双模车为研究对象,其后驱为电驱动总成。在纯电模式下,整车全油门加速和松油门滑行过程中,电驱总...
AISTS6018-2004标准名称:鼓风机总成试验方法版本:R111范围本标准适用于空调国际(上海)有限公司(AIS)开发和生产的鼓风机总成的试验方...
实验四点火系总成结构及性能测试一、实验课时:2学时二、主要内容及目的1.分电器的分解与清洗。2.分电器的装复、调整与试验。3.掌握点火...
液压软管总成试验方法GB/T7939--2008本标准修改采用国际标准IS06605:2002(液压传动软管和软管总成试验方法》(英文版)。本标准根据IS06605...
复合软管及软管总成1前言本标准修改采用EN13765:2010《用于输送烃类、熔剂、化工品的多层热塑性(非硫化)软管及软管总成---规范》(英文...
宗申集团河南力之星三轮摩托车制造有限公司零部件技术条件编号330300000200共11页第1页零部件名称前制动器总成阶段标记产品型号LZX150ZH-8A...
动力总成NVH设计指导1、发动机激励的来源与控制2、动力总成挠度3、发动机附件匹配问题4、动力传动系统的噪声5、齿轮噪声6、变速箱的噪声7、...
新能源纯电动客车底盘各总成组装工艺规范及质量要求1范围本标准仅适用于各类新能源纯电动客车底盘组装制造工艺,在实际中请参照本工艺相关...
毕业设计(论文)题目汽车周布弹簧式离合器总成设计院(系)机械与动力工程学院2013年5月29日注意事项1.设计(论文)的内容包括:1)封面(...
毕业论文课题名称橡塑制品软管组合件及接头的设计分院/专业机械工程学院/机电电一体化技术班级机电1121学号1101043231学生姓名王栋栋指导教...
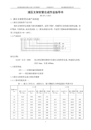
兖州煤业股份有限公司济三矿用材料厂作业指导书液压橡胶软管组合件液压支架软管总成作业指导书HH/ZD-J-20131.液压支架软管总成产品综述1.1...
转向柱带中间轴总成试验规范1范围本标准规定了转向柱带中间轴总成试验要求。本标准适用于乘用车转向柱带中间轴总成。2规范性引用文件标准下...
学习任务7主减速器总成修理学习目标完成本学习任务后,你应当能1.叙述后轮驱动汽车驱动桥的组成及零部件作用;2.叙述差速器的作用及工作原...
第1页共32页目录摘要·······················································...
胶管总成作业指导书Themanuscnptwasrevisedontheeveningof2021液压支架软管总成作业指导书HH/ZD-J-20131.液压支架软管总成产品综述液压支架...
ZB21钻臂总成BoomAssemblyZB21钻臂总成BoomAssembly序号FigNo件号PartNo.名称PartName数量Qty备注Remark1AA部分12BB部分13CC部分14DD部分15...

