机电专业内业记录目录及表格样式1、自动转换及风电瓦斯电闭锁试验记录JD-012、漏电试验记录JD-O23、电器设备管理记录JD-034、机电设备事故...
施工现场安全标志牌一览表工程名称:表(八)序号安全标志牌名称数量挂设位置备注1《禁止吸烟》牌挂设在木工制作场所2《禁止烟火》牌挂设在...
目录第二部分、表格类46、职工意外伤害保险(投保单)----------------------------------------------31147、安全值班记录表-------------...
第1页共111页编号:时间:2021年x月x日书山有路勤为径,学海无涯苦作舟页码:第1页共111页吉林省工程建设地方标准DB22DB22/JTXXX―2015建设...
管理人员花名册工程名称:XJA1序号姓名性别文化程度职务证件名称证件编号发证时间复审时间从事本岗位年限备注1注:本表附岗位证书复印件填...
(一)闭合导线内业计算已知A点的坐标XA=450.000米,YA=450.000米,导线各边长,各内角和起始边AB的方位角aAB如图所示,试计算B、C、D、E各...
内业检查情况报告内业资料检查情况2012年5月22日下午,中铁六局张唐铁路项目经理部工程部、安质部对一分部西葛峪特大桥和大化家营2号大桥内...
总目录第册工程项目基本情况第二册责任制、目标考核第三册施工组织设计第四册安全技术交底第五册安全检查第六册安全教育第七册应急预案第八...
DB22吉林省工程建设地方标准DB22/T498-2010建筑工程资料管理标准Architecturalengineeringdocumentmanagementstandard2010—11—04发布2011...
0湖里区青少年校外体育活动中心目标管理(二)说明10湖里区青少年校外体育活动中心1、制订工程安全管理目标,安全管理目标应明确到各个班组...
第1页共20页编号:时间:2021年x月x日书山有路勤为径,学海无涯苦作舟页码:第1页共20页安全内业资料第一卷安全管理安全内业资料标准依据:...
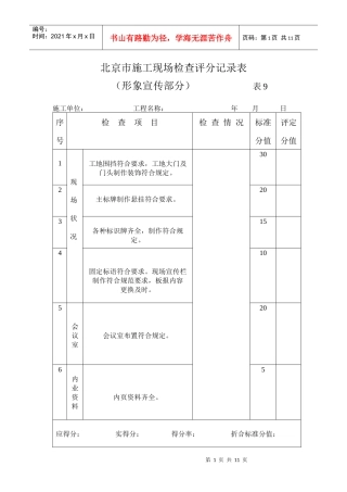
第1页共11页编号:时间:2021年x月x日书山有路勤为径,学海无涯苦作舟页码:第1页共11页北京市施工现场检查评分记录表(形象宣传部分)表9...
目录1项目安全策划............................................................................22安全技术管理..........................
文件编号:XMBZ/0529版本:1.0安全内业资料标准1.总则1.1为加强项目部安全内业资料的编制和管理,切实提高公司整体安全内业资料的编制和管...
工伤事故档案说明1、各工程项目均应建立工伤事故档案。凡发生轻伤、重伤、死亡事故均应进行登记,填写“工伤事故登记表”。并按国家有关规...
附录A建设单位安全资料用表表A01建设工程安全监督备案登记表建设单位(公章):填报日期:编号:建设单位填写工程项目主要情况工程名称建筑...
第1页共10页编号:时间:2021年x月x日书山有路勤为径,学海无涯苦作舟页码:第1页共10页208#综合楼模板工程技术交底210#综合楼建筑面积约为...
安全生产管理内业台帐样本二0一三年十二月安全生产管理台帐目录序号安全生产管理台帐名称页数备注1安全会议记录2安全检查记录3安全教育培训...
第1页共137页编号:时间:2021年x月x日书山有路勤为径,学海无涯苦作舟页码:第1页共137页安全内业填写示范监理工程师参考资料第2页共137页...
一)、扩大基础(一)、开工报告及附件1、工程开工申请单(分项)2、工程开工申请批复单3、施工技术方案报验单4、施工放样报验单(桥涵施工...

