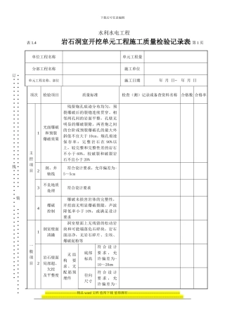
下载后可任意编辑 水利水电工程岩石洞室开挖单元工程施工质量检验记录表单位工程名称单元工程量分部工程名称施工单位单元工程名称、部位施...
下载后可任意编辑施工过程“三检”记录表工程名称:重庆市职业病防治院中毒救治综合大楼空调安装工程工程部位工序名称自检检查内容:检查记...
下载后可任意编辑工程质量“三检”制度一、自检作业人员在操作过程中必须按设计、法律规范、标准的要求进行施工和自检,并经班组长验收后方...
下载后可任意编辑三检制度实施细则下载后可任意编辑三检制分解本细则所指的三检制是指对施工过程中已完工各工序质量进行 操作层自检、上下...
如有侵权请联系网站删除精品资料水利工程施工质量三检制合格证(三检第号﹚合同名称:东阳市中小河流治理重点县综合整治及水系连通试点湖溪...
施工项目质量三检制度及检查表格项目工程三检制度及检查表格施工过程中应严格执行“三检”制度,形成完善三检记录(不能以报监理的资料代替...
施工现场三检制度㈠三检制度所要注意的事项1 施工现场所有施工部位应实行“三检制”即自检、互检、交接检。以杜绝质量事故发生。2 施工现...
项目管理施工过程“三检”制度为加强建设项目在施工过程中的质量控制,规范工序质量行为,提高工序质量,确保工程质量,特制订本制度。一、...
施工过程“三检”统计表工程名称:南城都汇商住项目第六期汇彩园(20#地块)住宅工程工程部位工序名称模板工程检查成果:检查内容:(1)模...
师生晨午晚一日三检制度 依 据 《 传 染 病 防 治 法 》 、 《 学 校 卫 生 工 作 条 例 》 等 规 定 ,按 传 ...
工程质量“三检”制度 一、目的:为了加强公司所属项目施工现场质量的过程控制管理,确保工程施工质量满足合同要求,保证项目在质量实施过...
(完整)工程三检制度 0 目录 一、三检制分解 ................................................ 1 (一) 、自检 ....................
目 录一、“三检制”定义...............................................................................................11、“自检...
项目工程三检制度及检查表格施工过程中应严格执行“三检”制度,形成完善三检统计(不能以报监理的资料替代),统计内容要具体,能反映实际...
三检制度完整版———————————————————————————————— 作者:——————————————————————...
施工过程“三检”记录表 工程名称:重庆市职业病防治院中毒救治综合大楼空调安装工程 工程部位 工序名称 自检 检查内容: 检查记录:...
目录 一、三检制分解............................................................................................................ ...
水利水电工程 表 1.1.1 表土及土质岸坡清理工序施工质量“三检制”记录表单位工程名称工序名称分部工程名称施工单位单元工程名称、部位...
表 1.1 岩石边坡单元工程施工质量评定表表 1.2 岩石地基开挖单元工程质量评定表表 1.3 岩石洞室开挖单元工程质量评定表表 1.4 软基...
表 1.1 岩石边坡单元工程施工质量评定表表 1.2 岩石地基开挖单元工程质量评定表表 1.3 岩石洞室开挖单元工程质量评定表表 1.4 软基...

