ABC1373123Oxy等差数列和等比数列(1)1、等差数列中,已知,则n为A.48B.49C.50D.512、(05全国卷II)如果数列是等差数列,则(A)(B)(C)(D...
词汇专练I.根据中文和首字母填空(20题)1.Therewasnothingspecialaboutthefilm---itwasonly___(普通).2.Lookingafterababyisas____(挑战...
语法填空(一)MedicalexpertssaymostAmericansdonotgetenoughsleep.TheysaymoreAmericansneedtotakeanap—thatistorest1.ashortperiodinth...
小升初英语专题复习(语法专练):therebe句型、同义句及倒装句一、单选题(共50题)1.Here_________somenoodlesforyou.A.isB.areC./2.Here...
2021年浙江中考科学复习专练(杭州专版)——专题22电路与欧姆定律一.选择题(共18小题)1.(2020•杭州模拟)如图所示电路,电源电压不...
名词性从句专项练习1.Iamwondering_______heexpectswillwinthegoldmedalinMen'sSingle.A.whomB.whoC.whichD.what2.—Excuseme,buthaveyouev...
定语从句专项练习一.单项选择(定语从句的用法)()1.Thisisthebag_____mymotherboughtyesterday.A.thatB.whoC.whomD.this()2.Theman_____l...
反意疑问句练习1.Isupposetheshoeswilllastyouatleastoneyear,____________?A.won’ttheyB.willtheyC.doID.don’t2.Everyoneissurprisedatt...
方程式计算专题专练一、计算题:1、二氧化碳和氢氧化钠反应化学方程式为,将通入NaOH溶液中,溶液的质量比原来增加了13.2g,求:(1)参加反...
1、比喻比喻就是打比方,是用具体的、浅显的、熟悉的、形象鲜明的事物去说明或描写抽象的、深奥的事物。这样可以把事物的形描写得更生动、...
Haveyouevertriedshoppingonline?WhatabouttalkingwithstrangersthroughtheInternet?Of(1)________,yes.(2)________thedevelopmentofsociet...
2021年浙江中考科学复习专练(杭州专版)——专题18压强和浮力一.选择题(共22小题)1.(2020•上城区模拟)我们平时用的书包或旅行袋的...
2021年浙江中考科学复习专练(杭州专版)——专题1生命系统的结构层次一.选择题(共12小题)1.(2020秋•滨江区期末)屠呦呦因发现青蒿素...
现在完成进行时1定义:现在完成进行时表示动作从过去某一时间开始,一直延续到现在,可能还要继续下去。2现在完成进行时的构成:现在完成进行...
(定语从句)WhichbabyisJack?穿红裤子的baby是Jack。ThebabyisJack.ThebabyisJack.whosetrousersareredwhoiswearingredtrousersJackWhichhou...
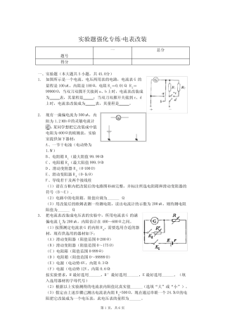
第1页,共6页实验题强化专练-电表改装题号一总分得分一、实验题(本大题共5小题,共45.0分)1.如图所示是一个电流、电压两用表的电路,电流...
押题16空间几何体【押题方向】空间几何体是高考全国卷每年必考知识点,作为客观题考查的空间几何体试题主要涉及三视图、几何体的表面积与体...
初高中英语单句改错专练集中营(供高三一轮复习)1.Everyoneofusisworkinghardinthefactory.2.IhavecaughtabadcoldforaweekandIcan’tgetri...
定语从句专练1.Asachild,Jackstudiedinavillageschool,_____isnamedafterhisgrandfatherA.whichB.whereC.whatD.that2.That’sthenewmachine...
2021年浙江中考科学复习专练(杭州专版)——专题7构成物质的微粒一.选择题(共19小题)1.(2020秋•滨江区期末)我国科学家成功研制出碳...

