充填站清理矸石仓安全技术措施由于矸石料湿,矸石仓内矸石料堆积,造成矸石料挂壁多、矸石仓可用存储体积变小、下料不通畅,严重影响充填生...
充填站清理矸石仓安全技术措施由于矸石料湿,矸石仓内矸石料堆积,造成矸石料挂壁多、矸石仓可用存储体积变小、下料不通畅,严重影响充填生...
井下水仓淤泥清理的措施由于水仓积淤过多,为不影响正常排水,对井下水库进行清理,为了进一步确保施工安全,特编制如下安全技术措施。 一...
主水仓清理安全技术措施由于中央水仓淤泥较多,已影响正常排水,机运队维修队将对水仓进行清理,为了进一步确保安全施工,特制定如下安全技...
主水仓清理水仓杂物方案同地永财坡煤业有限公司2025 年 3 月 日审核人员签字机电矿长:机电副总:机电部长:编制人:时间:永财坡关于主水仓...
主斜井水仓清理安全技术措施由于雨季将到来,为了进一步保证主斜井中央水仓蓄水空间满足矿井安全生产的要求,现需对主斜井中央水仓进行清理...
主斜井井底清理撒煤斜巷矸石运输施工安全技术措施一、工程概况 根据矿方安排,现由我单位对清理撒煤斜巷下平段堆积矸石进行清理。为保障矸...
主副水仓清理煤泥方案及安全技术措施根据《煤矿安全规程》的有关规定,水仓的空仓容量必须常常保持在总容量的 50%以上,由于我矿主副水仓...
中央缓冲煤仓清理施工安全技术措施为配合中央缓冲煤仓下口给煤机检测、修理工作,现由我单位对该煤仓进行清理,为了进一步确保施工安全,特...
“大棚房”问题专项清理整治整改工作方案为贯彻落实雅国土资名发[X]45 号文件关于开展“大棚房”问题 专项清理整治文件精神,根据区委、...
ICS 27. 140P 55中华人民共和国水利行业标准SL 644-2025__________________________________________________________________________...
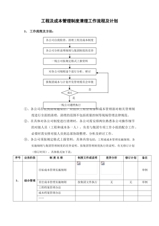
工程及成本管理制度清理工作流程及计划1、 工作流程及方法:①、各公司在收到清理通知后,应组织工程管理部和成本管理部对相关管理制度进...
笔记本电脑键盘怎样清理重要工具:一字钟表批子,小刷子,无水酒精、软布。1. 取下扣条如上图所示,本本底座和屏幕相连旳轴旳下方左右各有...
餐饮烟道清理管理规定国家规定:GA654-2025《人员密集场所消防安全管理》 7、9、2、7 旅馆、餐饮场所、医院、学校等厨房得烟道应至少每季...
隔油池、污水池清理方案一、质量规定 1.车辆运送污水应符合下列质量规定: (1)车辆应完好、干净,车体无大面积污物。 (2)装载应适量...
附件 3:铁 路 工 程 项 目 概 算 ( 合 同 ) 清 理集团公司工程经济部2025 年 6 月目 录一、铁路概算编制程序及投资控...
贵定县花甲水库工程建设征地移民安置库底清理实施方案(审定本)贵定县水库与生态移民局二 0 一八年三月审 定:张红灵 庭裕江审 核:陈前...
*****原煤仓及产品仓清仓工程安全技术措施编制人: 审核人: 审批人: 编制单位:******有限公司日 期:201 6年 1 0月 30 日安...
清理药品欠款工作方案背景药品供应商与药店之间往往会涉及商业信用交易,即药店会采购药品并承诺在一定时间内付款。假如药店不能按时付款,...
清理轮胎服务方案随着人们生活水平的提高,对车外观的要求也越来越高,而轮胎作为车辆重要的组成部分,也得到了更多的关注。在日常使用中,...

