离心铸造球墨铸铁管技术标准离心铸造球墨铸铁管标准:本标准参照采用一《耐压管道用球墨铸铁直管、管件及附件》。球墨铸铁管(球铁管)的使...
离心式水泵技术标准目的与适用范围目的:为了正常操作、维护、检修各种离心泵,制定本标准。适用范围:本规程适用钛白车间所属各种离心泵的...
离心通风机使用说明书宜兴市华电环保设备有限公司一、用途4-72 型离心通风机作为一般工厂及大建筑物的室内通风换气,即可用作输入气体,也...
多级离心鼓风机岗位安全操作章程1 范围本规程规定了选矿厂鼓风机安全操作内容及要求。本规程适用于选矿厂鼓风机工岗位。2 内容2.1 操作...
四级离心式鼓风机操作章程本规程适用机型:Q4-200-1251、遵守铸造设备通用操作章程。2、工作之前还应该遵守: a、检查冷却系统和润滑系统...
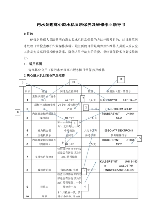
卧式离心脱水机岗位安全生产责任制1、卧室离心脱水机是本岗位的安全生产第一责任人。2、卧室离心脱水机必须经本工种专业技术培训,通过考试...
卧式螺旋离心脱水机安全操作章程一、启动准备如本机为第一次运转或长期停用(超过一月)后启动1.打开罩壳和变速轮罩检查(1)上、下罩壳中应...
DDDD1□□DDDDDDDDDDDDDDDDDDDDDDDDDDDDDDDDDDDDDDDDDDDDDDDDDDDDDDDDDDDDDDDDDDDDDDDDDDDDDDDDDDDDDDDDDDDDDDDDDDDDDDDDDDDDDDDDDDD2□□...
1离心通风机安装施工工艺标准(标准编号)1. 适用范围本工艺标准适用于风压小于或等于 0.01〜0.015MPa 的各类离心式通风机的安装工程。2...
盐城利民农化有限公司年度安全目标责任书为全面贯彻执行《中华人民共和国安全生产法》等法律法规,坚持“安全第一,预防为主,综合治理”的...
KA5S—GL210 离心鼓风机安全操作章程操作工在开机前必须熟悉本规程,严格根据本规程操作鼓风机。一、开机1.检查油箱润滑油位,应处于油尺...
本科论文目 录摘 要.................................................................................................................
本科论文目 录摘 要.................................................................................................................
毕业论文离心式压缩机的设计院(系) 机电工程学院专业班级 机械设计制造与其自动化 081 仲恺农业工程学院教务处制学生承诺书本毕业设...
离心球墨铸管项目可行性讨论报告报告分享网·版权所有目录第一章 项目总论...............................................................
离心压缩机可调进口导叶讨论综述 谭佳健 毛义军 祁大同 /西安交通大学能源与动力工程学院 王 锐 王学军 / 沈阳鼓风机(集团)有限公...
离心压缩机振动故障综合分析故障类别与判别方法:1、转子不平衡引起的振动离心压缩机的转子由于受到材质和加工装配技术等各方面的影响,转...
一、离心压缩机介绍:1、离心式压缩机结构分别为:1.1 水平剖分结构、筒式水平剖分结构;1.2 水平剖分结构的压缩机,承受压力较低的机型...
1、压缩机性能达不到要求 可能的原因处理措施① 设计错误审查原始设计,检查技术参数是否符合要求,发现问题应与卖方和制造厂家交涉,采...
单 级 高 速 离 心 鼓 风 机操 作 使 用 说 明 书( 镇 海 脱 硫 氧 化 用 )D162-1.92 金 通 灵 流 体 机 ...

