作 业 指 导 书编 号: 工程名称:作业项目名称:4T 建筑塔吊安装编制单位:批 准: 安 全:质 量: 工 程: 审 核: 编 ...
1 总则 1.0.1 为了法律规范塔机基础设计与施工,确保塔机安全及正常使用,确保塔机基础的技术先进与经济合理,特制定本规程。1.0.2 本...
目 录一、工程概况1二、已有资料收集1三、场区平面控制网的测设1<一>场区平面控制网布设原则1<二>场区平面控制网的布设及复测1<三>建筑物...
塔试起重机拆除拆卸方案制造单位;产品型号;使用单位;拆除地点;拆除单位;编写;审核;一、概述: 移动梦网景园三标段 4#、8#栋由长...
唐山市***住房项目 A-01 地块QTZ80(TCT5513-6)塔式起重机安装方案编制: 审批: 日期: 2025 年 12 月 目 录1、编制说明...........
孝感市 XXXXX 综合业务楼塔式起重机基础方案编制: 审核: 批准: XXXX 集团有限公司2025 年 5 月QTZ5010 塔吊基础方案一、工程概述...
****项目(A 标段)TC4207 塔式起重机安装及拆除施工方案*********项目部二 00 九年一月********项目(项目(AA 标段)工程标段)工程...
QTZ40B 型塔式起重机安装、拆卸方案安装方案QTZ40B 型式起重机在安装前,必须熟读塔机使用说明书,以便正确、迅速安装塔基。立塔时需 12...
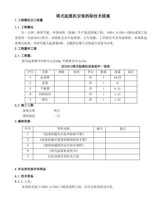
塔式起重机安装拆除技术措施1 工程概况及工程量1.1 工程概况XX(天津)新型节能、环保材料(玻璃)生产线及附属工程,1000t/d+500t/d熔化...
A实施REV版次签名日期签名日期签名日期MODI.修改STATUS状态编写 AUTH.审核 CHK’D BY批准 APP’D BY 文件号DOCUMENT NO.**** 分 ...
QTZ 自升塔式起重机施工方案XX 工程公司年月日目 录第一章 工程概况...............................................1第一节 项目概...
QTZ63 塔式起重机械安装方案XX 工程公司年月日目 录1 安装任务.......................................................................
1.概况:1.1. 塔机概况:1.1.1. 型号:QT80EA 内爬塔式起重机1.1.2. 统一编号:020256-4030011.1.3. 生产厂家:湖南湘潭江麓机械厂1....
附着式安装工法一、概述..........................................2二、本工法的特点:................................3三、适用范围:...
附着式塔式起重机的使用安全技术交底施工单位名称单位工程名称施工部位施工内容安全技术交底内容1. 四级以上风应停止爬升。如爬升过程中...
轨道式塔式起重机使用安全技术交底工程名称:节能大厦施工单位中天宝业集团建设单位设备名称轨道式塔式起重机作业内容交底部门交底人施工期...
浅谈塔式起重机的安全管理浅谈塔式起重机的安全管理 【摘要】在建筑工程施工中,具有起升高度高、工作幅度大、工作效率高等优点的塔式起重...
塔式起重机倒塌事故分析与预防塔式起重机倒塌事故分析与预防 摘要:随着近几年房地产业的快速进展,塔式起重机的使用覆盖面越来越大,事故...
[2025 合同]塔式起重机出租合同租用单位: (以下简称甲方) 出租单位: (以下简称乙方) 由甲方承建的丁岸路 1#-3#楼及地下车库工程,...
津建安 8 卷 8-03天津市建设工程施工现场安全保证资料塔式起重机安装安全技术交底天津天一建设集团有限公司(津建安表 22)天津市建设工...

