随着人们生活水平的提高,人们对身体越来越关爱, 更多地进行体育锻炼。健身器材作为进行健身活动的重要 工具之一,越来越受到人们的喜爱...
电动调节阀结构图 2根据国家知识产权局的统计显示,2005年申请中国专利列前10位的国家中,日本、美国分别以36221件、20395件位居前两位,...
电动调节阀价格 供用户或设计院工程项目做预算 型号 电动调节阀 T940H-16C 15 2550 20 2550 25 2700 32 2850 40 3000 50 3...
电 动 装 饰 百 叶 施 工 方 法 电 动 百 页 施 工 方 法 及 技 术 措 施 针 对 此 工 程 招 标 文 件 和...
淄博翔讯电器电动螺旋压力 开关磁阻电机调速系统工程手册 淄博翔讯电器有限公司 2 0 1 3 年 2 月 - 1 - 1 . 开关磁阻电机系...
电动蝶阀原理和接线 电动蝶阀有普通型和智能型。普通型,当接通其电机,阀门便开或合,视电机正反转而定;智能型如 AC380V 的,给其供 ...
广西华电南宁华南城分布式能源工程 (编号:F446S-N8809-01) 电动蝶阀 技术规范书 西 南 电 力 设 计 院 SOUTHWEST ELECTRIC...
新疆宜化热电有限公司 准东五彩湾2×330MW 坑口电厂工程 间接空冷系统电动阀门 技术规范书 中 国 电力 工 程 东北电力设计院 顾...
电动葫芦安装检验报告 使用单位: 检验日期: 福建华电漳平火电有限公司 注 意 事 项 1 .本报告书适用于电动葫芦验收检验。 2 ....
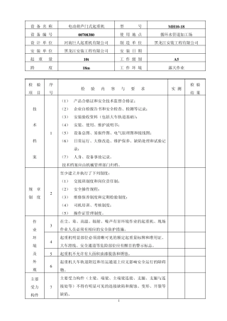
1 设 备 名 称 电动葫芦门式起重机 型 号 MH10-18 设 备 编 号 00708380 使 用 地 点 循环水管道加工场 设 计 单 位...
1 M H 10+10-35A3 电动葫芦门式起重机 拆除方案 编 制: 审 核: 审 批: 北京住总鑫鹏机械施工有限责任公司 2 第一章 概 ...
名称电动葫芦整机结构计算文件编号:HY/MH16.21-A3生效日期页次1/15页序标准文件用纸电动葫芦门式起重机结构计算书MH16-21 A3计算:审核:...
1 第1章 绪论 1.1电动葫芦的发展 电动葫芦是集电动机,减速机和钢丝绳卷筒(或环链)为一体的小型起重设备,大多数还带有行走小车,配...
电 动 葫 芦 质 量 检 验 规 范 (内 部 使 用) 湖北蒲圻机械有限公司 第五章 出厂检验规范 一、 一般性检查(100%检查...
第1 页 南京起重机械总厂 NANJING HOISTING MACHINERY GENERAL WORKS CO.,LTD 《地球牌》CDI、MDI 型钢丝绳电动葫芦 性能、质量...
电动葫芦 什么是电动葫芦: 电动葫芦,简称电葫芦 主要有钢丝绳电动葫芦,环链电动葫芦,微型电动葫芦,卷扬机和多功能提升机五大类。钢丝...
1 产品编号: 电 动 葫 芦 改 造 重 大 维 修 施工自检记录 工程名称: 设备名称: 施工单位: (盖章) 施工起止日期:...
1 电动葫芦维护检修规程 X X X X X X X 有限公司 2 第一章 总则 1、适用范围 本规程适用于化工厂CD、MD 型电动葫芦(包括防...
1 电动葫芦维护检修规程 济钢炼铁运行 2 第一章 总则 1、适用范围 本规程适用于车间CD、MD 型电动葫芦(包括防爆电动葫芦)的维护...
4.8.58 电动葫芦检修、安装: 1 适用范围: 适用于锅炉侧所有电动葫芦的安装。 2 质量标准及检验方法见表4.8.58。 表4.8.58 电动葫...

