螺纹切除扫描关键词:武汉高顿科技发展有限公司1.以螺杆端面为草图基准面做与螺杆外圆相等的圆,后插入----曲线----螺旋线2.做基准面3.在新...
UG铣螺纹方法------------江苏深度低调制作1.首先创建螺纹,注意用螺纹符号。创建出所需的螺纹标示。2.进入加工模块创建所需刀具选择DRILL...
§1螺纹联接§2键联接§3花键联接§4成形联接§5销联接§6铆接§7焊接§8粘接§9过盈联接第4讲联接4.1螺纹联接的基本知识左旋螺纹和右旋螺...
查看完整版本:[--NPT螺纹参数--]中国机械CAD论坛->基础理论->NPT螺纹参数[打印本页]登录->注册->回复主题->发表主题jackyyang2007-04-1412:...
螺栓组连接结构设计的目的:接合面形状——对称螺栓布置——合理,间距、边距、扳手空间接合面与螺栓——受力均匀加工安装——方便,螺栓材...
第3章螺纹联接和螺旋传动答案一、思考题(略)习题Fa二、3.气缸盖联接结构如图所示,气缸内径D=250mm,为保证气密性要求采用12个M18的螺栓...
第6章螺纹联接螺纹联接结构简单,装拆方便,互换性好,成本低廉,工作可靠,形式灵活多样,可反复拆开而不必破坏任何零件,因而应用广泛。...
NPT、PT、G、RC螺纹的区别管螺纹的标准:管螺纹:主要用来进行管道的连接,使其内外螺纹的配合紧密,有直管和锥管两种。常见的管螺纹主要包...
中国船舶工业总公司部标准CB1115-84外螺纹三通、四通接头1984一11一20发布1985一10一01实施中国船舶工业总公司批准中国船舶工业总公司部标...
10项新技术应用情况(钢筋直螺纹连接技术)农科院科研技术中心工程主楼六层,地下一层,为现浇钢筋混凝土框架结构;地下建筑面积1370m2,地...
ANSYS15.0螺纹接触分析(经典版和WB版)河南平顶山人,09年大连理工大学工程机械硕士毕业,CAD/CAE工程师,仿真论坛AnsysWB版主;主要从事游...
车削螺纹时常见故障及解决方法http://club.elanw.com/dispbbs.asp?boardID=303&ID=23437&page=1螺纹是在圆柱工件表面上,沿着螺旋线所形成...
标准分享网www.bzfxw.com免费下载标准分享网www.bzfxw.com免费下载标准分享网www.bzfxw.com免费下载标准分享网www.bzfxw.com免费下载标准分...
第9章螺纹联接和螺旋传动§9-1螺纹§9-2螺纹联接的类型及标准联接件§9-3螺纹联接的预紧§9-5螺纹联接的强度计算§9-7螺栓的材料和许...
mmTapDrillSizeThreadDesignationClassMaxMinMaxMinMaxMinClassMinMaxMinMaxMinMaxBasic0.25M0.25x0.0756g0.2500.2350.2010.1870.1600.1406...
2007-5-291NPT螺纹检验---目录�目视检验�内螺纹检验�量规介绍�参考点的确定�判定准则�使用程序�外螺纹检验�量规介绍�参考点的确定...
API油套管螺纹接头拧接操作规程1.0目的本操作程序规定了对API油套管接头的(机紧)拧接要求。2.0操作员职责操作员在使用拧紧机时,须确保每...
ThreadandEndConnectionIdentificationGuidewww.swagelok.comIDENTIFICATIONTABLESTAPEREDSTRAIGHTAPPENDIXINTRODUCTION3ContentsIntroduct...
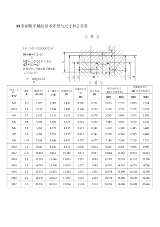
矮牙爱克母螺纹
创建内螺纹和外螺纹“外螺纹-内螺纹(Thread-Tap)”功能根据相关的圆柱实体,创建内螺纹或外螺纹。此任务说明如何在圆柱凸台上创建内螺纹。...

