江苏省计算机等级考试书本知识点整顿1.1。1 计算机旳发展历程1.1946 年 2 月,世界上第一台计算机 ENIAC 在美国宾西法利亚问世,运算...
全国二级建造师执业资格考试用书 ( 第三版 ) 2Z00建设工程法规及有关知识全国二级建造师执业资格考试用书编写委员会⊙编写中国建筑工业...
1 七下地理书本活动题答案汇总 第一节:亚洲和欧洲 P.3 活动: 【活动目标】渗透描述大洲地理位置的方法,引导学生掌握学习大洲的相...
一、生物技术总论 1.现代生物技术是一项高新技术,它具有高新技术的“六高”特征是指哪“六高”? 高效益;高智力;高投入;高竞争;高风...
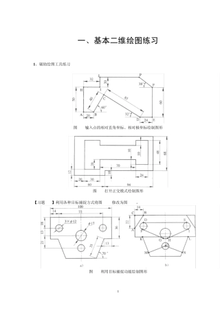
1 一、基本二维绘图练习 1 、辅助绘图工具练习 图 1-1输入点的相对直角坐标、相对极坐标绘制图形 图 1-2打开正交模式绘制图形 【习...
伤寒详细背诵内容太阳病太阳之为病,脉浮,头项强痛而恶寒。(1)太阳病,发热,汗出,恶风,脉缓者,名为中风。(2)太阳病,或已发热,或...
下载后可任意编辑募捐书本策划方案一、项目背景在当前数字化时代,电子书已成为人们生活和学习的便捷工具。但对于一些贫困地区和困境中的人...
下载后可任意编辑读《有准备的老师》有感:重拾书本学新知 重拾 重拾书本学新知 ——读《有准备的老师》有感 原创:莫丽红 望牛墩镇第...
下载后可任意编辑观看跟着书本去旅行观后感例文 观看跟着书本去旅行观后感范文 ——WORD 文档,下载后可编辑修改—— 跟着书本去旅行观...
下载后可任意编辑艺人签约合同书本前言艺人签约合同是一份非常重要的合同,它是艺人与经纪公司或其他代理机构约定合作的一种方式。本文将从...
下载后可任意编辑物业管理委任契约书本协议双方甲方:房屋产权所有人乙方:物业管理公司前言甲方为保障房屋的卫生、安全、使用及相关的其他...
下载后可任意编辑期货委托合同书本1、基本概念期货委托是指投资者通过期货公司或经纪人将其期货交易权益委托给期货交易所或结算机构,由受...
下载后可任意编辑挖机租赁合同书本第一章 总则第一条 目的和范围本合同是规定甲方出租挖机于乙方使用的法律文件,其目的在于明确甲乙双方...
下载后可任意编辑承包合同书本畜牧引言畜牧行业是我国重要的农业产业之一,而承包合同书作为保障承包方和承包方权益的法律文件,在畜牧业中...
下载后可任意编辑手机广告策划书本策划人姓名: 二零 XX 年 XX 月 XX 日下载后可任意编辑手机广告策划书本 1 一.前言 伴随着多功...
马王堆汉墓帛书本《道德经》全文-----【道经】-----(1) 第一章道可道也非恒道也名可名也非恒名也无名天地之始也有名万物之母也故恒无欲以...
下载后可任意编辑学院书本捐赠仪式会议主持尊敬的各位来宾,各位朋友,同学们,大家下午好!由公益志愿者联盟协会捐赠的爱心图书室今日在小...
下载后可任意编辑员工劳动合同书本前言员工劳动合同是雇主与雇员之间签订的一份法律文件,它规定了雇主和雇员之间的权利和义务,并阐明了工...
下载后可任意编辑厂房租赁合同书本一、合同概述本合同是由甲方(出租方)与乙方(承租方)所签订的厂房租赁合同,涉及到的租赁面积、租赁期...
下载后可任意编辑印刷服务协议书本一、合同双方1.1 印刷服务商[印刷服务商名称]地址:[印刷服务商地址]电话:[印刷服务商电话]1.2 客户[...

