电脑桌面
添加小米粒文库到电脑桌面
安装后可以在桌面快捷访问

CAD二维书本练习图

CAD二维书本练习图_第1页
1/21
CAD二维书本练习图_第2页
2/21
CAD二维书本练习图_第3页
3/21
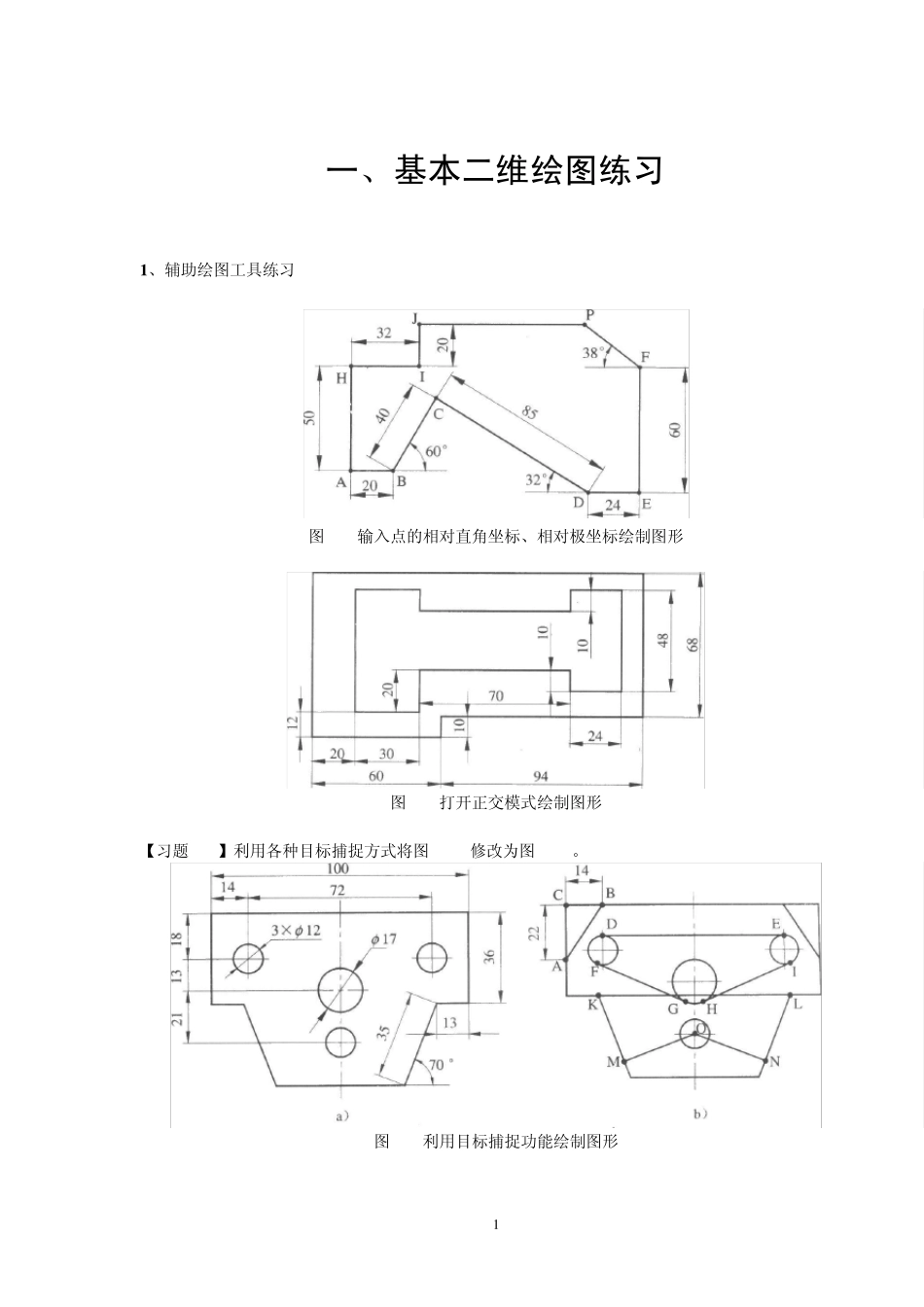
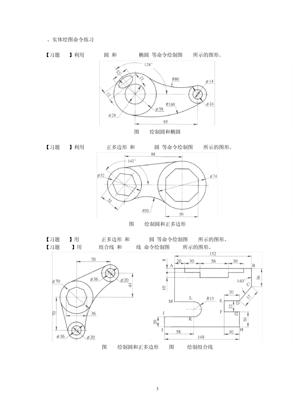
1 一、基本二维绘图练习 1 、辅助绘图工具练习 图 1-1输入点的相对直角坐标、相对极坐标绘制图形 图 1-2打开正交模式绘制图形 【习题 1-3】利用各种目标捕捉方式将图 1-3a修改为图 1-3b。 图 1-3利用目标捕捉功能绘制图形 2 【习题1-4】打开极轴追踪模式(FIO),通过输入直线的长度绘制图1-4所示的图形。 图1-4利用极轴追踪功能绘制图形 【习题1-5】利用极轴追踪、自动捕捉及目标捕捉追踪功能将图1-5a修改为图1-5b。 图1-5综合练习1 【习题1-6】利用极轴追踪、自动捕捉及目标捕捉追踪功能绘制图1-6所示的图形。 图1-6综合练习2 3 2、实体绘图命令练习 【习题 1-7】利用 Circle(圆)和 Ellipse(椭圆)等命令绘制图 1-7所示的图形。 图 1-7绘制圆和椭圆 【习题 1-8】利用 Polygon(正多边形)和 Circle(圆)等命令绘制图 1-8所示的图形。 图 1-8绘制圆和正多边形 【习题 1-9】用 Polygon(正多边形)和 Circle(圆)等命令绘制图 1-9所示的图形。 【习题 1-10】用 Pline(组合线)和 Line(线)命令绘制图 1-10所示的图形。 图 1-9绘制圆和正多边形 图 1-10绘制组合线 4 3、编辑命令练习 【习题 1-11】用 Offset(等距线)、Trim(修剪)和 Line命令绘制图 1-11所示的图形。 图 1-11用 Offset和 Trim等命令绘制图形 图 1-12绘制等距线 【习题 1-13】用 Offset(等距线)和 Extend(延伸)命令将图 1-13a修改为图 1-13b。 图 1-13用 Offset和 Extend命令绘制图形 【习题 1-14】用 Array(阵列)等命令绘制图 1-14所示的图形。 图 1-14用 Array命令创建环形阵列 5 【习题1-15】用Array(阵列)和Rotate(旋转)等命令绘制图1-15所示的图形。 图1-15用Array和Rotate命令绘制图形 【习题1-16】用Fillet(倒圆角)和Chamfer(倒角)命令将图1-16a修改为图1-16b。 图1-16用Fillet和Chamfer命令绘制图形 【习题1-17】用Move(移动)等命令绘制图1-17所示的图形。 图1-17用Move等命令绘制图形 6 【习题1-18】用Fillet(圃角)、Chamfer(倒角)、Mirror(镜像)等命令绘制图 1-18所示的图形。 图 1-18用Fillet、Chamfer、Mirror等命令绘制图形 【习题1-19】用Copy(复制)和 Mirror(镜像)等命令绘制图 1-19所示的图形。 图 1-19用Copy和 Mirror等命令绘制图形 【习题1-20】用Mirror(镜像)和 Rotate(旋转)等命令绘制图 1-20所示的图形。 图 1-20用Mirror和 Rotate等命令绘制图形 【习题1-21】...

1、当您付费下载文档后,您只拥有了使用权限,并不意味着购买了版权,文档只能用于自身使用,不得用于其他商业用途(如 [转卖]进行直接盈利或[编辑后售卖]进行间接盈利)。
2、本站所有内容均由合作方或网友上传,本站不对文档的完整性、权威性及其观点立场正确性做任何保证或承诺!文档内容仅供研究参考,付费前请自行鉴别。
3、如文档内容存在违规,或者侵犯商业秘密、侵犯著作权等,请点击“违规举报”。

碎片内容

CAD二维书本练习图

您可能关注的文档

确认删除?
VIP
微信客服
  • 扫码咨询
会员Q群
  • 会员专属群点击这里加入QQ群
客服邮箱
回到顶部