●总线●●●●●●Z1 Z2 D1 D2 I G G NG V+ NO COM S- ●●●●●●24V 常开 设备8301 输入输出模块接常开设备加 24V 继...
海湾常用 83 系列消防模块接线图整理汇总海湾 有 11 个左右的 消防模块 ,对外接线端子图相对存在差异性,不用搞不清思绪,本文将海...
什么是箱线图 什么是箱线图 箱线图在文献中经常见到,是对数据分布的一种常用表示方法。但是所见资料中往往说的不是特别清楚,因此需要了...
交流接触器接线图 设备维修 2009-10-08 11:56:14 阅读3486 评论7 字号:大中小 订阅 交流接触器接线图(电动机正反转) 为了使电动...
交流接触器实物接线图(各种组合电器接线图 最近经常在网上看到朋友们需要接触器的实物接线图,因此我整理了一份关于接触器和其他控制电器...
交流接触器实物接线图(各种组合电器接线图)
_等温线图_的判读规律与应用分析
Y系列电动机绕组维修接线图
MG236 门禁机接线图及操作说明书 [ 来自:深圳市拓新科技有限公司 阅读: 1249 时间:2010.09.05 ] MG236 门禁机接线图及操作说明书...
日光灯是现代生活必备的家用电器,日光灯又分为LED 和双管日光灯。对于日光灯接线图是很多人都想了解知道的。不同类型的日光灯接线图也不...
下载后可任意编辑沟通接触器实物接线图(各种组合电器接线图最近常常在网上看到朋友们需要接触器的实物接线图,因此我整理了一份关于接触器...
软 启 动 器 接 线 图 及 工 作原理 一、CMC-L 系列数码型软启动器的基本接线原理图: 软起动器端子 1L1、3L2、5L3 接三相电...
轨道电路箱内配线图
• 1.T 型线(蜻蜓) • • 应用法则: 底部看涨,顶部看跌的变盘线。 • 2.V 型反转 • • 应用法则: 底部见底,反转上升。 ...
经 典 K 线 组 合(78 组) T 型线(蜻蜓)1 应用法则: 底部看涨,顶部看跌的变盘线。 V 型反转2. 应用法则: 底部见底,反转上...
1 .5 配件列表 TZ-301系列激光雕刻控制系统包含以下部分或配件: 名称 数量 简介 图片简介 操作头 1 运动控制卡 TZC-CONV14 1...
幼儿动物图案数字连线图 图片张数: 7 张 类 别: 宝宝涂色画 上传日期: 2013-05-09 浏览次数: 10732 快速下载: • • 2/7 •...
1 常用电子管管脚接线图(1) 管脚图例 管子型号 管子型号(1) 管子型号(2) A 6AQ8 ECC85 A 6BQ7A ECC180 A 6BZ7A A 6CG7 A...
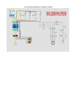
常用电动机控制接线图[实物接线 原理图] Y-△降压启动电路 时间继电器控制电机降压启动电路图 按钮接触器中间继电器控制的补偿器降压启...
常用可视化类型(直方图、折线图、饼状图)

