电脑桌面
添加小米粒文库到电脑桌面
安装后可以在桌面快捷访问

LED日光灯接线图、日光灯接线图及双管日光灯接线图VIP免费

LED日光灯接线图、日光灯接线图及双管日光灯接线图_第1页
1/6
LED日光灯接线图、日光灯接线图及双管日光灯接线图_第2页
2/6
LED日光灯接线图、日光灯接线图及双管日光灯接线图_第3页
3/6
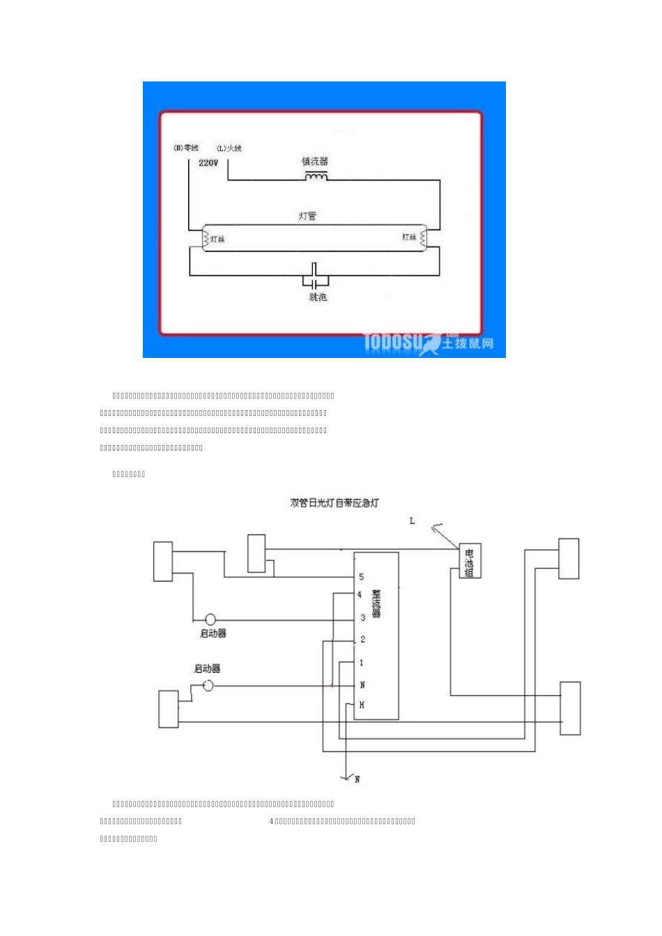
日光灯是现代生活必备的家用电器,日光灯又分为LED 和双管日光灯。对于日光灯接线图是很多人都想了解知道的。不同类型的日光灯接线图也不一样,本下面小编就来详细给大家介绍LED 日光灯接线图、日光灯接线图、双管日光灯接线图。 LED 日光灯接线图 LED 日光灯光源采用高亮度LED,包括冷白、暖白和正白三种色温。LED 日光灯与传统荧光灯相对比有以下优点: 1、节能:比传统荧光灯节电80%; 2、绿色环保:无紫外光、红外光等辐射,不含汞等有害物质,灯体回收无污染; 3、寿命长:正常使用可达5 万小时以上; 4、无频闪:LED 恒流工作,有效减少LED 光衰,启动快,无闪烁,保护眼睛; 5、安装简单, 安装时将原有的日光灯取下换上LED 日光灯,并将镇流器和起辉器去掉,让220V 交流市电直接加到LED 日光灯两端即可。 日光灯接线图 上图是一幅日光灯接线图。日光灯的基本构造正如我们在导读中为大家介绍的。从这幅日光灯接线图中我们大致可以了解日光灯工作原理:当电流通过灯丝时,灯丝会发射电子,管内温度也随之升高,汞开始蒸发。灯管两头的电压又使氩气电离,从氩气放电转移到汞蒸气放电,而荧光粉的作用就是改变灯光的颜色。灯管外部还装有镇流器、启辉器和电容器。它们的作用分别是限制电流、自动闭合两电极和改善线路的功率因数。 双管日光灯接线图 上图是一幅双管日光灯接线图,大体是电子镇流器。是不是一个镇流器有六根线?如果是的话,接线方法如下:把两个镇流器进线也就是红线并联接好,每个镇流器余下4 个接头,(这就是一根灯管的灯脚接线)一般是塑料平行线,每根平行线的两个线头接灯管一边的两个灯脚。 小编总结:以上就是小编今天提供给大家关于LED 日光灯接线图、日光灯接线图、双管日光灯接线图的相关小知识,如果大家有对日光灯接线图不了解的可相应参考本文,希望对大家有帮助。 日光灯是如何工作的?在日光灯电路中,电流从插头的左侧插脚开始,流经整流器、灯管的一根灯丝、启辉器中闭合的开关和灯管中的另一根灯丝,最后从插头的右侧插脚流出。电流会加热日光灯管两端的两个小元件,然后启辉器打开使电流通过日光灯。 整流器是一个磁性线圈,用于调节流过灯管的电流。启辉器打开时会使一个电弧浪涌通过灯管,随后在灯管发光之后,启辉器将保持电流以正确的速度流过。在大多数日光灯中,启辉器都是一个自动开关,当它检测到灯管发光时,它会一直处于断开状态,只要断开灯具电源,启辉器将关闭。 ...

1、当您付费下载文档后,您只拥有了使用权限,并不意味着购买了版权,文档只能用于自身使用,不得用于其他商业用途(如 [转卖]进行直接盈利或[编辑后售卖]进行间接盈利)。
2、本站所有内容均由合作方或网友上传,本站不对文档的完整性、权威性及其观点立场正确性做任何保证或承诺!文档内容仅供研究参考,付费前请自行鉴别。
3、如文档内容存在违规,或者侵犯商业秘密、侵犯著作权等,请点击“违规举报”。

碎片内容

LED日光灯接线图、日光灯接线图及双管日光灯接线图

您可能关注的文档

小辰5+ 关注
实名认证
内容提供者

出售各种资料和文档

确认删除?
VIP
微信客服
  • 扫码咨询
会员Q群
  • 会员专属群点击这里加入QQ群
客服邮箱
回到顶部