化学品环境安全管理国家档案(简本)前言化学品已广泛应用于工农业生产和居民日常生活,对于发展社会生产力、提高人民生活质量起到了不可替...
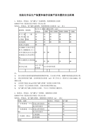
危险化学品生产装置和储存设施平面布置的安全距离1、氢氧站、供氢站、氢气罐与厂内建筑物、构筑物的防火间距GB50177-93《氢氧站设计规范》...
安徽省危险化学品从业单位安全生产标准化评审标准A级要素B级要素标准化要求企业达标标准评审方法评审标准否决项扣分项1法律、法规和标准(1...
附录1危险化学品生产装置和储存设施与厂外周边安全距离表1、石油化工企业与相邻工厂或设施的防火间距GB50160-92《石油化工企业设计防火规范...
IFCS03-TS议程项目10化学品安全促进可持续发展IFCS/FORUM-V/03-TSOriginal:English2006年7月11日论坛V政府间化学品安全论坛第五届会议匈牙...
山东清大新能源有限公司危险化学品事故综合应急救援预案编写人:马新审核人:张元习签发人:陈小西预案编号:SDQDXNY-001生产单位:山东清...
附件2:危险化学品生产单位安全标准化□自评/□考核报告企业名称:企业地址:电话:传真:邮编:自评/考核组长:成员:自评/考核日期:年月...
编号:(X)XK13-011危险化学品生产许可证实施细则(22)(化学试剂产品部分)2011年1月19日公布2011年1月19日实施国家质量监督检验检疫总...
编号:(X)XK13-017危险化学品生产许可证实施细则(9)(民用硝化棉产品部分)2011年1月19日公布2011年1月19日实施国家质量监督检验检疫总...
武汉市安全生产监督管理局武安监管规〔2009〕2号关于印发《武汉市危险化学品经营许可证发放及管理实施办法》(暂行)的通知各区、开发区、东...
柴油化学品安全技术说明书说明书目录第一部分化学品名称第九部分理化特性第二部分成分/组成信息第十部分稳定性和反应活性第三部分危险性概...
申请编号:受理编号:申请日期:受理日期:危险化学品生产企业安全生产许可证延期申请书申请单位生产单位经办人联系电话填写日期江西省安全...
龙岗区危险化学品带仓储经营单位安全管理分级评定标准序号内容依据考核方法评定办法评定结果安全生产基本条件1▲提供的工商《营业执照》《...
第一类非药品类易制毒化学品生产许可证办理程序一、依据《非药品类易制毒化学品生产、经营许可办法》(国家安监总局令第5号),《关于印发...
广东省安全生产监督管理局危险化学品建设项目安全许可实施细则第一章总则第一条为加强危险化学品建设项目安全监督管理,规范危险化学品建设...
危险化学品建设项目安全条件论证报告导则一、建设项目的背景二、建设单位概况三、建设项目概况(产品方案、设备方案、生产规模、工艺流程、...
危险化学品仓库建设及储存安全规范20101120ICS71-010G09备案号:XXX-XXXX北京市地方标准DB11DB11/XXXX—2010危险化学品仓库建设及储存安全...
危险化学品专项治理方案为认真贯彻*****关于加强安全生产工作的一系列重要决策部署和要求,深刻吸取危险化学品安全事故教训,依据*****精神...
危险化学品火灾事故现场处置方案住爆炸后和再次发生爆炸之前的有利时机,采取一切可能的措施,全力制止爆炸的发生4.2.2.3灭火人员应尽量利...
1/6三氯化铁化学品安全技术说明书说明书目录第一部分化学品名称第九部分理化特性第二部分成分/组成信息第十部分稳定性和反应活性第三部分危...

