哈尔滨工业大学本科毕业论文(设计)—开题报告- 1 - 本科毕业论文(设计)开 题 报 告论文题目以纳米流体为工质的抛物面槽式太阳能...
本答案仅供参考,请勿用于商业用途或进行未经同意的转载第 3 周1 计算两个数的平方和(3 分)题目内容:从键盘 读入两个实数,编程计...
1 哈尔滨工业大学2007 年秋季传感技术及应用考试试题课程综合考试,合计分数70 分一、判断题(正确打√标记,错误打×标记,每题1 分,...
本答案仅供参考第 3 周1计算两个数的平方和(3 分)题目内容:从键盘 读入两个实数,编程计算并输出它们的平方和 ,要求使用数学函数p...
1 / 7 哈尔滨工业大学年硕士研究生招生考试复试及录取工作办法研院发 []号根据教育部《年全国硕士研究生招生工作管理规定》(教学 []...
合肥工业大学车辆工程硕士研究生自我介绍一下,我是2011年考上的合肥工业大学车辆工程的硕士研究生,学术型研究生,一等奖学金。我的本科就...
1 / 7 合肥工业大学级学生体质健康测试安排表(翡翠湖校区 )备注:、参加测试的同学须带身份证和学生证( 中长跑测试需用学生证) ,...
2 设计计算和说明依据和结果第1章电动葫芦的总体设计1.1 概述电动葫芦是一种小型的起重机械,它由电动机、减速装置、卷筒、吊具及运行小...
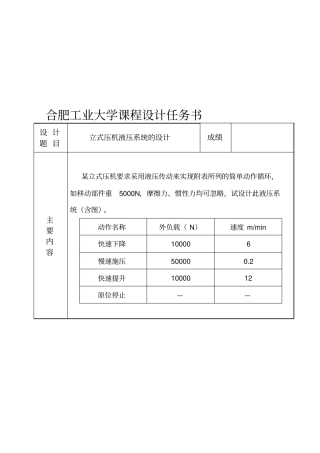
合肥工业大学课程设计任务书设 计题 目立式压机液压系统的设计成绩主要内容某立式压机要求采用液压传动来实现附表所列的简单动作循环,如...
1 一.选择题(共 20 分)1.计算机网络按其所涉及及范围的大小和计算机之间互连的距离,其类型可分为: (A) A. 局域网、城域网和广...
第四章习题解答★【】如题图所示为一长方形截面的导体槽,槽可视为无限长, 其上有一块与槽相绝缘的盖板,槽的电位为零, 上边盖板的电位...
合肥工业大学学生社团年度审查细则为进一步规范学生社团年审工作,规范管理学生社团, 按照《共青团中央改革方案》及《高校学生社团管理办...
1 / 2 合肥工业大学宣城校区第一届大学生创业计划竞赛初赛作品汇总表系(盖章)序号作品名称作品类别团队成员(按顺序,不超过人)队长...
合肥工业大学化学工程与工艺专业指导性教学计划一、培养目的与培养目标培养目的:培养德才兼备,适应社会、经济、科技发展需要,掌握扎实的...
《土木工程材料》习题库工业大学土建学院詹炳根编第一章土木工程材料的基本性质一、选择题1.受水浸泡或处于潮湿环境中的重要建筑物所选用...
医学工程学院认 识 实 习 报 告专 业 班 级:制药工程 12 级 1 班指 导 教 师:徐红梅王君李青山廖晨钟实 习 地 点:合...
密0 合肥工业大学考试试卷2009 ~2010 学年 上学期单片机原理及应用时间 110 分钟线封48 学时,学分, 闭 卷,总分100 分,占总评...
合肥工业大学 信息管理与信息系统专业指导性教学计划一、 培养目的与培养目标培养目的:本专业培养拥有系统化管理思想和较高管理素质,掌...
1 / 39 水平测试一一?用 IUPAC 命名法命名下列化合物 (10 分): 1.2.3. 4. 5. 6. 7. 8.9. 10. 二?完成反应方程式 (40 分):...
.第一章 汽车的总体设计1. 总体设计的任务?1.从技术先进性、生产合理性和使用要求出发,正确选择性能指标、质量参数和尺寸参数,提出整...

