摘 要Z3040 型摇臂钻床适用于单件或批量生产带有多孔的大型零件的孔加工,是机械加工车间常用的机床,在机械行业中得到了广泛应用。但继...
PLCPLC 在扭转试验机在扭转试验机电气控制系统改造中的应用方案电气控制系统改造中的应用方案田松岳(泰州技师学院 江苏 泰州 225300)...
第 五 章 数 控 机 床 用 可 编 程 控 制 器第 一 节 概 述 一 、 PLC的 产 生 与 发 展 可编程控制器(Program...
邵阳职业技术学院毕业设计(论文)课题名称 PLC 交通灯控制 学生姓名 罗 庆 财 学 号 200830930002 系、专业 机电工程系机电一体...
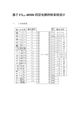
基于 FX2N-48MR 四层电梯控制系统设计一、I/O 接线图:二、I/O 地址分配:1、 输入点分配输入点名称楼层感应器门区感应器厅门招呼开关...
目录摘要.............................................................................................................................
《电气控制与 PLC》课程设计任务书课题名称: 可编程控制系统设计 系 别: 电子与信息工程学院 专 业: 建筑电气与智能化 班 级...
http://bbs.ca800.com/detail.aspx?id=118724PLC 和触摸屏电缆图大全 三菱FX-20P-CAB0 三菱 FX-20P-E 手持编程器到 FXo/FX2n/FX1n ...
电力线宽带(PLC)接入合作协议书甲方:_________地址:_________邮政编码:_________传真:_________乙方:_________地址:_________邮政编...
目 录目 录...........................................................................................................错误!未定...
毕业设计报告(论文) 课题名称 机械手搬卸零件的 PLC 控制系统设计 专 业 学生姓名 学号 指导教师 起讫日期 设计地点 摘 要...
利用 Winscok 控件实现 VB 与 PLC 的以太网通信2009 年 08 月 22 日 星期六 上午 08:19 摘要:工业以太网以其特有的低成本...
编号: 毕业设计说明书题 目: 传送带及机械手 PLC 控制设计 院 (系): 机电工程学院 专 业: 机械设计制造及其自动化 学生...
目录引 言····························································...
目录第一节 绪论1.1 机械手的概念………………………………………….11.2 主要技术指标………………………………………….2第二节 已知...
VC 环境下三菱 PLC 与微机的串行通信周万里 曾文火(江苏科技大学 机械与动力工程学院,江苏 镇江 212003)摘 要:主要介绍三菱 FX...
电气控制与 PLC 理论考试试卷(10) 注 意 事 项 四、改错题。指出下列电路有何错误?应如何改进?(每题 8 分,共 16分) 1....
《电气控制与 PLC 应用》课程设计题 目∶生产线小车送料专业班级∶机电工程系~班姓 名:~~~学 号∶~指导教师∶2011 年 ~月~日目 录...
PLC 是什么很多初学者都在为一个英文缩写(PLC)而烦恼。PLC 是什么、什么是 PLC?PLC 是什么意思? 其实很简单、官方的定义千篇一律、...
PLC通信电缆线路图集合

