实用精品文献资料分享燃烧与燃烧的条件专题复习试题燃烧与燃烧的条件专题复习试题 1 、(4 分)室温约 20℃时,取三小块大小相近的白磷...
煤矿建设项目核准依据、条件、程序的相关要求一、项目核准的依据《国务院关于投资体制改革的决定》(国发〔 2004〕20 号)、《企业投资项...
煤矿建设项目安全设施及条件验收申请表项目名称建设性质设计能力项目法人名称地址设计单位及资质施工单位及资质监理单位及资质项目工程质量...
煤矿井工开采通风技术条件1 范围本标准规定了采用井工方式开采的煤矿的基本通风技术条件。本标准适用于全国井工开采的煤矿,包括新建和改...
焦化行业准入条件焦化行业准入条件目录总则一、生产企业布局二、工艺与装备三、主要产品质量四、资(能)源消耗和副产品综合利用五、环境保...
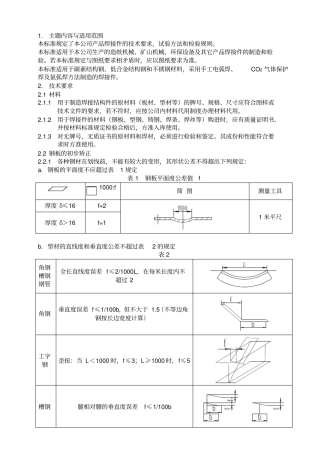
1.主题内容与适用范围本标准规定了本公司产品焊接件的技术要求,试验方法和检验规则。本标准适用于本公司生产的造纸机械、矿山机械、环保设...
热轧结构钢板通用技术条件ASTM A6/A6M-95 中文版( ASTM 中文标准)1 适用范围1.l 本标准包括一组通用的技术要求,除材料标准中另有...
目录 住房公积金提取条件 ...........................................................................................................
动物防疫条件审核管理办法 第一章 总 则 第一条 为了规范动物防疫条件审查,有效预防控制动物疫病,维护公共卫生安全,根据《中华人民...
中华人民共和国农业部令 2010 年 第 7 号 《动物防疫条件审查办法》已经2010 年1 月4 日农业部第一次常务会议审议通过,现予发布...
编 号: 《动物防疫条件合格证》申请表 申 请 人 ( 签 章 ) 申 请 日 期 中 华 人 民 共 和 国 农 业部监制 填 ...
2 编 号: 《动物防疫条件合格证》申请表 申 请 人 ( 签 章 ) 申 请 日 期 中 华 人 民 共 和 国 农 业部监制 3...
2 附 件 1: 《动物防疫条件合格证》申请表 申 请 人 ( 签 章 ) 申 请 日 期 中 华 人 民 共 和 国 农 业部监制...
动物防疫条件合格证办理程序 一、 法定依据 《中华人民共和国动物防疫法》第十九条、第二十条及《动物防疫条件审查办法》(农业部 2 0...
镇 江 市 丹 徒 区 高 资 镇 青 山 养 猪 专 业 合 作 社 (一)免疫制度 1、遵守《动物防疫法》,按区兽医主管部门的统...
安全条件论证报告 2011 年九月 目 录 1、建设项目的背景 .............................................. 1 2、建设单位概况 ......
办理随军家属在京落户的条件与流程 2010 年7 月1 日 City Hunter 办理机构:市公安局人口管理处户政大厅 办理地址、电话:市公安局...
下载后可任意编辑优惠条件及服务承诺书下载后可任意编辑优惠条件及服务承诺一、承诺内容:结合我公司自身条件和潜力,我公司将最大限度地为...
下载后可任意编辑从任职条件起步关于法官检察官选任制度的改革方案12024 年 4 月 19 日下载后可任意编辑从任职条件起步——关于法官、...
下载后可任意编辑二级建造师考试条件上海二级建造师报考条件下载后可任意编辑二级建造师考试条件-上海二级建造师报考条件 二级建造师报考...

