青艾中学财产设备报修制度1、领用的校产设备,使用前必须细阅使用说明,严格按照操作规程。在正常使用的情况下,出现故障,查明原因,及时...
联想集团有限公司LEGENDGROUPLTD.客户服务支持部文件CustomerServiceSupportDept文件编号OURREF:LGL-CSSD-03-QDZC-B1023拟文日期DATE:200...
联想集团有限公司LEGENDGROUPLTD.客户服务支持部文件CustomerServiceSupportDept文件编号OURREF:LGL-CSSD-03-QDZC-B1023拟文日期DATE:200...
联想集团有限公司LEGENDGROUPLTD.客户服务支持部文件CustomerServiceSupportDept文件编号OURREF:LGL-CSSD-03-QDZC-B1023拟文日期DATE:200...
联想集团有限公司LEGENDGROUPLTD.客户服务支持部文件CustomerServiceSupportDept文件编号OURREF:LGL-CSSD-03-QDZC-B1023拟文日期DATE:200...
联想集团有限公司LEGENDGROUPLTD.客户服务支持部文件CustomerServiceSupportDept文件编号OURREF:LGL-CSSD-03-QDZC-B1023拟文日期DATE:200...
联想集团有限公司LEGENDGROUPLTD.客户服务支持部文件CustomerServiceSupportDept文件编号OURREF:LGL-CSSD-03-QDZC-B1023拟文日期DATE:200...
联想集团有限公司LEGENDGROUPLTD.客户服务支持部文件CustomerServiceSupportDept文件编号OURREF:LGL-CSSD-03-QDZC-B1023拟文日期DATE:200...
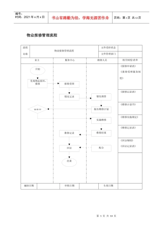
第1页共13页编号:时间:2021年x月x日书山有路勤为径,学海无涯苦作舟页码:第1页共13页物业报修管理流程流程名称物业报修管理流程文件受控...
体育场馆、器材设施维护报修制度保证体育场馆、器材设施的安全是学校体育工作的一个重要组成部分,也是上好体育课、确保体育教学顺利进行的...
联想集团有限公司LEGENDGROUPLTD.客户服务支持部文件CustomerServiceSupportDept文件编号OURREF:LGL-CSSD-02-QDZC-B2057拟文日期DATE:200...
联想集团有限公司LEGENDGROUPLTD.客户服务支持部文件CustomerServiceSupportDept文件编号OURREF:LGL-CSSD-03-QDZC-B1023拟文日期DATE:200...
联想集团有限公司LEGENDGROUPLTD.客户服务支持部文件CustomerServiceSupportDept文件编号OURREF:LGL-CSSD-03-QDZC-B1023拟文日期DATE:200...
1统一报修站端自行生成维修单流程V2.01.1目的:为了规范联想台式电脑维修渠道,准确、高效地接待联想用户的报修,向用户提供优质、高效的...
1统一报修特殊情况处理流程V2.01.1目的:为了给特殊用户提供满意的报修服务和及时、准确地处理“统一报修”中事先无法确定的无规则紧急报...
联想集团有限公司LEGENDGROUPLTD.客户服务支持部文件CustomerServiceSupportDept文件编号OURREF:LGL-CSSD-03-QDZC-B1023拟文日期DATE:200...
1统一报修站端自行生成维修单流程V2.01.1目的:为了规范联想台式电脑维修渠道,准确、高效地接待联想用户的报修,向用户提供优质、高效的...
1统一报修站端接CC派单流程V2.01.1目的:为了规范联想台式电脑维修渠道,准确、高效地接待联想用户的报修,向用户提供优质、高效的服务,...
联想集团有限公司LEGENDGROUPLTD.客户服务支持部文件CustomerServiceSupportDept文件编号OURREF:LGL-CSSD-03-QDZC-B1023拟文日期DATE:200...
1统一报修站端接CC派单流程V2.01.1目的:为了规范联想台式电脑维修渠道,准确、高效地接待联想用户的报修,向用户提供优质、高效的服务,...

