XX县区南溪河地区景观规划调研报告景观规划调研报告——现与古碰天鹅湖vs逍遥津1位置天鹅湖:政务文化XX县区政务XX县区属于XX市近些年新建...
横二路虎溪河桥现浇箱梁施工方案横二路虎溪河桥现浇箱梁施工方案一、工程概况虎溪河桥桥梁桩号K0+514.960至K0+609.400处,全长94.08m。桥梁...
XX县区南溪河地区景观规划调研报告背景:根据本次景观规划课程设计的要求,我们小组一行三人于9月29日来到XX县区南溪河展开调研,我们的调...
广州市流溪河干流河道岸线管理规划报告广州市水务局广州市流溪河流域管理办公室11流域概况流溪河是广州市境内的一条重要河流,呈东北至西南...
朱溪河右线大桥(72+128+72)m连续刚构线形监控实施原则朱溪河右线大桥(72+128+72)m连续刚构线形监控实施原则1线形控制的依据线形控制以梁体...
关于流溪河从化段水环境保护情况的调研报告流溪河是从化的母亲河,我市一直以来十分重视流溪河流域的水环境保护工作,流溪河水质多年来保持...
关于流溪河水质保护情况的调研报告为推进我市生态文明建设,根据市政协年初召开的九届十次常委会议确定的今年专题调研课题,市政协于6月上...
关于流溪河水质保护情况的调研报告为推进我市生态文明建设,根据市政协年初召开的九届十次常委会议确定的今年专题调研课题,市政协于6月上...
2023年重庆市渝北区龙山街道盘溪河社区工作人员(综合考点共100题)模拟测试练习题含答案答题时间:120分钟试卷总分:100分共1套试卷每套试...
难忘的香溪河漂流记黄山香溪风景区位于黄山脚下,是世界自然和文化双遗产,早就听说那里的漂流非常刺激好玩,我的心里一直想去过把瘾。正好...
第一章、总体概述一、工程概述运河西路北起吴桥,南至下甸桥,在梁溪河入京杭年夜运河口处需建梁溪河桥。梁溪河桥全部呈西北——西北走向,...
万州区苎溪河流域生活污水处理工程——高粱、高升、李河污水处理工程初步设计专家审查意见2009年12月22日,重庆市勘察设计协会组织召开万州...
关于流溪河从化段水环境保护情况的调研报告流溪河是从化的母亲河,我市一直以来十分重视流溪河流域的水环境保护工作,流溪河水质多年来保持...
关于流溪河水质保护情况的调研报告为推进我市生态文明建设,根据市政协年初召开的九届十次常委会议确定的今年专题调研课题,市政协于6月上...
花溪河环境综合治理调研报告“真山真水到处是,花溪布局更天然;十里河滩明如镜,几步花圃几农田。”当年陈毅副总理为花溪题咏的瑰丽诗篇,...
目录第一章总体概述第二章施工进度计划和各阶段进度保证措施及承诺第三章劳动力和材料投入计划及保证措施第四章机械设备和检实验仪器设备投...
监理大纲四川西溪河地洛水电站工程建设监理投标文件(合同编号:XXH-DL-2006-JJ-004)---监理大纲目录目录1总则...............................
第一章、总体概述一、工程概述运河西路北起吴桥,南至下甸桥,在梁溪河入京杭大运河口处需建梁溪河桥。梁溪河桥整体呈西北——东南走向,与...
目录第一章指导思想与实施目标、编制依据与编制原则一、指导思想二、实施目标三、编制依据及编制原则第二章工程概况第三章项目管理机构配备...
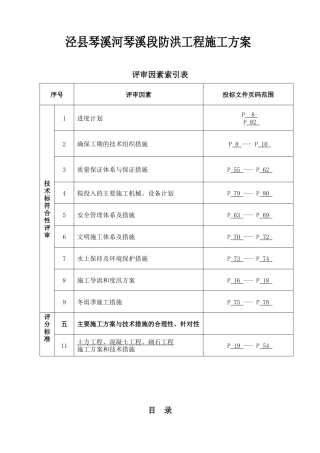
泾县琴溪河琴溪段防洪工程施工方案评审因素索引表序号评审因素投标文件页码范围技术标符合性评审1进度计划P8P822确保工期的技术组织措施P8-...

