岗位说明书(2015年修编版)重庆梅溪河流域水电开发有限公司2015年4月23日目录公司组织机图...................................3编写说明....
花溪河环境综合治理调研报告花溪是贵阳有名的风景区。山水交融,田畴交错,花溪的山与水都各具特色。花溪的山,小而玲珑,秀丽而多姿。景区...
关于流溪河水质保护情况的调研报告为推进我市生态文明建设,根据市政协年初召开的九届十次常委会议确定的今年专题调研课题,市政协于6月上...
第一章、总体概述一、工程概述运河西路北起吴桥,南至下甸桥,在梁溪河入京杭大运河口处需建梁溪河桥。梁溪河桥整体呈西北——东南走向,与...
XX县区南溪河地区景观规划调研报告背景:根据本次景观规划课程设计的要求,我们小组一行三人于9月29日来到XX县区南溪河展开调研,我们的调...
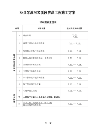
泾县琴溪河琴溪段防洪工程施工方案评审因素索引表序号评审因素投标文件页码范围技术标符合性评审1进度计划P8P822确保工期的技术组织措施P8-...
目录第一章工程概况第二章施工部署第三章施工进度计划第四章施工准备与资源配置计划第五章主要施工方案第六章施工现场平面布置第七章主要施...
生态园大道跨寒溪河大桥施工监控项目招标文件招标编号:东采公〔2009〕425号广东志正招标有限公司2009年08月第1页共56页编号:时间:2021年...
第1页共16页编号:时间:2021年x月x日书山有路勤为径,学海无涯苦作舟页码:第1页共16页全国中小河流治理道真县城玉溪河河道治理工程项目经...
第1页共29页编号:时间:2021年x月x日书山有路勤为径,学海无涯苦作舟页码:第1页共29页重庆市綦江县清溪河月亮湾度假区旅游开发策划报告重...
第1页共22页编号:时间:2021年x月x日书山有路勤为径,学海无涯苦作舟页码:第1页共22页重庆市綦江县清溪河月亮湾度假区旅游开发策划报告景...
第一章、总体概述一、工程概述运河西路北起吴桥,南至下甸桥,在梁溪河入京杭大运河口处需建梁溪河桥。梁溪河桥整体呈西北——东南走向,与...
重庆交通建设(集团)有限责任公司虎溪河桥施工组织设计编制:审核:审定:2014年02月目录第一章:对工程重难点的理解重庆交通建设(集团)有限...
玉溪河污染治理整治方案近年来,随着经济水平的不断发展以及县XX县区人口的逐渐增多,玉溪河两岸及其水质已受到了不同程度的污染,这不仅影...
目录第一章编制说明第二章施工准备第三章施工现场布置第四章工程进度计划与措施第五章现场管理机构设置第六章施工方案与技术措施第七章质量...
玉溪河污染治理整治方案近年来,随着经济水平的不断发展以及县XX县区人口的逐渐增多,玉溪河两岸及其水质已受到了不同程度的污染,这不仅影...
前锋区2019年泸溪河流域片区高标准农田建设项目监理规划编制人:审核人:审批人:四川德茂建设项目管理有限公司前锋区2019年泸溪河流域建设...
皖赣铁路扩能改造工程芜湖至宣城段WGZQ-Ⅱ标宛溪河特大桥钢桁梁施工组织设计I皖赣铁路扩能改造工程芜湖至宣城段WGZQ-Ⅱ标宛溪河特大桥钢桁...
项目编号:HG20131104003招标编号:HG20131104003四川省芦山县城区玉溪河防洪治理工程施工招标招标文件项目招标负责人:罗婧芸招标文件编制...
目录第一章编制说明第二章施工准备第三章施工现场布置第四章工程进度计划与措施第五章现场管理机构设置第六章施工方案与技术措施第七章质量...

