附件 1:第一次山东省畜牧业污染源普查技术报告编 写 大 纲一、概述本地区自然、社会、经济概况。自然环境概况如地理位置、面积、地形...
水污染源在线监测系统安装技术规范1 适用范围1.1 本标准规定了水污染源在线监测系统中仪器设备的主要技术指标和安装技术要求,监测站房建...
附件 1:第一次山东省畜牧业污染源普查技术报告编 写 大 纲一、概述本地区自然、社会、经济概况。自然环境概况如地理位置、面积、地形...
附件 2海南省工业污染源全面达标排放评估报告编制大纲核发单位许可证编号核发时间有效期许可排污种类**环境保护局废水废气污染物许可排放...
下载后可任意编辑县水务局局长就职演讲稿与县污染源审查会县长讲话稿汇编县水务局局长就职演讲稿感谢组织上对我的关怀和信任,推举我为县水...
江苏省第一次农业污染源普查省厅评比表彰细则(讨论稿)二〇〇九年四月十五日为表彰在江苏省第一次农业污染源普查工作中表现突出的单位和个...
下载后可任意编辑区环保局城市污染源治理意见与区环保局工作总结和计划(多篇范文)汇编区环保局城市污染源治理意见年是“十二五”环境保护工...
附件:《江苏省污染源普查质量控制工作细则(暂行)》为保证第一次全国污染源普查质量,加强质量控制工作,根据《全国污染源普查条例》和《...
20XX年污染源巡查计划方案加强环保法规宣传教育,强力推进环保实事工程,提高环境监管的能力建设。这些都是其中的计划方案。根据**县人民政...
固定污染源监测固定污染源监测注意事项和常见故障注意事项和常见故障www.hbyq.net一、烟尘监测过程中的注意事项和现场故障排查www.hbyq.net...
污染源普查工作会的讲话同志们:今天的会议是按照市政府的要求召开的,主要内容是对全县的第一次污染源普查工作进行安排部署,明确相关部门...
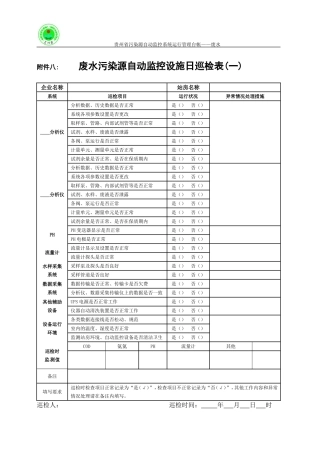
贵州省污染源自动监控系统运行管理台帐——废水附件八:废水污染源自动监控设施日巡检表(一)企业名称站房名称系统巡检项目运行状况异常情况...
1数据审核的程序污染源普查数据审核实行五级审核制度,即普查对象内部审核、普查员审核普查指导员审核、公司内部会审和上级抽查审核。图-1...
某县全国第二次污染源普查表态发言稿各位领导、同志们:市政府今天召开全市第二次全国污染源普查工作会,是贯彻落实党中央国务院关于开展第...
污染源普查工作大会致辞范文同志们:今天的会议是按照市政府的要求召开的,主要内容是对全县的第一次污染源普查安排部署,明确相关部门的工...
在全县污染源普查工作会议上的讲话在全县污染源普查工作会议上的讲话同志们:今天的会议是按照市政府的要求召开的,主要内容是对全县的第一...
1附件:台山市第二次全国污染源普查农业源普查服务参数一、项目简介■项目概况本项目为大型环境保护调查项目。根据《全国污染源普查条例》规...
水体污染源的类型向水体排放或释放污染物的来源和场所,都称为水体污染源,这是造成水体污染的罪魁祸首,从不同角度可以将水体污染源进行分...
下载后可任意编辑乡镇污染源普查工作总结与乡镇治保主任年度述职汇报汇编乡镇污染源普查工作总结目录第一篇:XX年乡镇污染源普查工作总结第...
下载后可任意编辑乡镇汛期安全工作总结(多篇范文)与乡镇污染源普查工作总结汇编乡镇汛期安全工作总结xxx镇XX年汛期安全工作总结xxx镇地处黄...

