安全交底记录 项目名称: 项目部: 交底时间: 年 月 日 交底地点: 交底内容: 安全技术交底的主要内容: 严 格 按 《 通 ...
附录四 线路的图例和符号
单位数量技工工日普工工日合计工日TX1-002施工测量百米1.1/0.00TX1-002施工测量百米1.1/0.00TX1-026挖填电缆沟土方100m30590.00TX2-033铺设...
序号材料名称材料型号单位厂家原设计单价(元)最新集采单价(元)最新设计单价1室内插片式光分路器箱16芯室内墙挂金属,310*300*90个湖南...
序号敷设方式1钢管塑料管7/2.2拉线2座根3数量数量数量数量数量445光缆 GYTA-24B1千米6光缆 GYTA-48B1千米7接头盒24芯个8接头盒48芯个13镀...
- 2 0 - 中国移动江苏公司南通地区通州 2014 年共址宏站配套传输线路二期工程施工组织方案 一 、 概述 本工程为中国移动通信集团...
通信线路工程施工及验收规范 篇一:本地通信线路工程验收规范 本地通信线路工程验收规范 1 器材检验 1(1 一般规定 1(1(1 对光(电)缆...
建筑安装工程量概算表(表三)甲 建设项目名称: 单项工程名称: 123 建设单位名称: 中国电信股份有限公司泰兴分公司 表格编号: TAB3A...
通 信 线 路 工 程 安 全 技 术 交 底 工 程 名 称 作 业地点 作 业内容 交 底 级别 交 底 日期 年 月 日 交...
通信线路工程项目经理岗位职责 1 .贯彻执行国家和行业部门法律、法规、方针、政策和强制性标准,执行企业的各项管理制度。 2 .项目经...
通 信 线 路 工 程 与 施 工 试 题 样 卷 ( 一 ) 一 、 填 空 题 : 1.全 塑 市 内 通 信 电 缆 按 敷 ...
通信线路作业安全技术规范 第一章 总 则 一、 为贯彻执行“安全第一,预防为主”的方针,加强安全生产管理,规范作业人员的安全行为,...
通信线路备用纤芯测试标准化作业指导书 (试 行) 二○○七年六月 通信线路备用纤芯测试作业指导书 通信线路备用纤芯测试标准化作业指...
档号:(不填) 项目编号: 中国移动广东省中山本地网 期 传输 新建工程 竣 工 文 件 建 设 单 位: 工 程 承接单位: 项...
电力杆塔合杆通信线路架设技术标准〔试行〕xx 市电力公司二 O 一一年四月前言 21 .总那么 31.1.编制依据和目的 31.2.适用范围 51.3...
通 信 线 路 施 工 合 同甲 方:中国联合网络通信有限公司[·] 分 公 司乙 方 : [·]签 约 地 点 : [·]合 同 编 ...
下载后可任意编辑 通信线路迁改合同 编 号: 甲 方:中国电信 XX 有限公司联系人: 联系电话: 乙 方: 联系人: 联系电话: ...
下载后可任意编辑建设工程施工专业分包合同承包人: 分包人: 签订地点: 签订时间: 年 月 日 1第一部分 合同协议书承包人(全称...
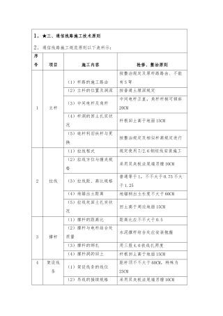
1.★三、通信线路施工技术原则2.通信线路施工规范原则以下表所示:序号项目施工内容抢修、整治原则1立杆(1)杆路的施工路由按整治规定及...
浙江移动通信线路维护质量规范 浙江移动光缆线路工程和维护经过多年来的建设,已引成庞大的移动基础网络体系。在移动业务快速发展的同时,...

