金属材料的力学性能测试1.()韧性的大小通常通过一次冲击试验来测定。对(正确答案)错2..()经外力作用,金属发生塑性变形,当外力去除后,变...
用预应力碳纤维布加固预应力混凝土空心板力学性能研究摘要:基于有限单元法的方式,这次研究采用FEAANSYS软件来分析使用预应力碳素纤维加固...
水泥物理力学性能试验试题(一)填空题1、水泥取样可连续取,亦可从(20)个以上不同部位取等量样品,总量至少(12Kg)2、水泥胶砂试块质量比,...
PRC管桩力学性能管桩桩身配筋及相关参数表(Ⅰ型)单节预应力钢长度棒数量与L直径5~(m)(mm)非预应力钢筋数量与直径(mm)混凝土螺旋有效预筋...
金属材料的种类与力学性能课件•金属材料的力学性能•金属材料的加工性能•金属材料的腐蚀性能•金属材料的应用领域CHAPTER01金属材料的种...
•金属材料的力学性能概述•金属材料的强度与塑性•金属材料的硬度与韧性•金属材料的高温力学性能•金属材料的疲劳性能目录•金属材料的腐...
新结构材料的力学性能检测课件•力学性能检测基本知识•新结构材料的弹性模量与拉伸性能检测•新结构材料的硬度与耐磨性能检测•新结构材料...
江苏省建设工程质量检测人员岗位培训试卷及答案(水泥物理力学性能)(A卷)得分一二三(满分120分,时间100分钟)成绩:得分评分人四五总...
力学性能检测样品制样作业指导书使用目的:规范金属原材及焊接件力学性能试样的制样方法及尺寸。试样依据:《钢及钢产品力学性能试验取...
•金属材料的概述•金属材料的力学性能目录•影响金属材料力学性能的因素•金属材料力学性能的测试与评估•金属材料力学性能的应用与发展01...
..-钢板Q235BQ235B钢板,是一种低碳钢。一、含义:Q+数字+质量等级符号组成。钢号冠“Q〞,Q代表屈服点,用“屈〞大写“Q〞字母表,数字表...
水泥物理力学性能试题一、填空题1.目前我国常用的水泥品种有:普通硅酸盐水泥、矿渣硅酸盐水泥、火山灰质硅酸盐水泥、粉煤灰硅酸盐水泥、...
..复习旧课1、材料的发展历史2、工程材料的分类讲授新课第一章金属材料的力学性能材料的性能有使用性能和工艺性能两类使用性能是保证工件的...
第1页共31页编号:时间:2021年x月x日书山有路勤为径,学海无涯苦作舟页码:第1页共31页《工程材料力学性能》(第二版)课后答案第一章材料...
word格式-可编辑-感谢下载支持第一章1.解释下列名词①滞弹性:金属材料在弹性范围内快速加载或卸载后,随时间延长产生附加弹性应变的现象称...
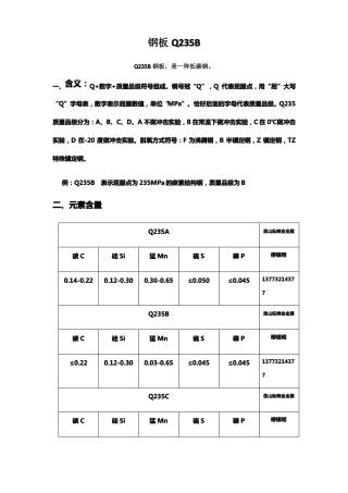
钢板Q235BQ235B钢板,是一种低碳钢。一、含义:Q+数字+质量品级符号组成。钢号冠“Q”,Q代表屈服点,用“屈”大写“Q”字母表,数字表示屈...
第1页共37页编号:时间:2021年x月x日书山有路勤为径,学海无涯苦作舟页码:第1页共37页作业01力学性能参考答案一、下列情况分别是因为哪一...
尼龙6/MWNT纳米纤维的形貌与力学性能MoncyV.Josea,BrianW.Steinertb,c,1,VinoyThomasa,2,DerrickR.Deana,*,MohamedA.Abdallaa,GaryPriced,G...
万方数据万方数据聚氨酯/分子筛复合材料的力学性能研究作者:毕晓霞,武六旺作者单位:太原市塑料研究所,山西,太原,030024刊名:太原城市职...
材料在其他静载下的力学性能要点课件目•材料在其他静载下的力学性能概述•弹性材料力学性能录•塑性材料力学性能•强度与断裂力学性能目•...

