动力装置工程师职位说明书职 位 名称动力装置工程师职位编号ME-003所 属 部门维修工程分部职位定员0(1)直 接 上级经理所辖人数0直 ...
1 管道组成件 Piping component 1.1 管子 Pipe 管子(按照配管标准规格制造的) pipe 管子(不按配管标准规格制造的其他用管) tube...
超 大 量 程 转 矩 测 量 装 置 的 选 择徐 进 武汉船用电力推进装置研究所摘 要 : 通 过 某 大 型 电 机 试 验...
1 / 16 如何做好大型石油化工装置施工阶段地监理工作----兰州石化公司300 万吨 /年 重催装置工程监理总结兰州石化公司300 万吨 /年...
太阳能光热光电转换装置项目可行性研究报告ssss年 ddd 月1 太阳能光热光电转换装置项目可行性研究报告目录一、 总论1.1 项目概述1.2 ...
精 馏 塔 实 验 装置(计算机)说明书天 津 大 学化 工 基 础 实 验 中 心一. 实验设备的特点 1. 该精馏装置全部采用不...
附件 2 :塔式起重机附着装置安装自检表设备型号设备编号生产厂家附着装置编号工程名称安装单位工程地址安装日期资料检查项序号检查项目...
避雷及接地 装置接地隐蔽 工程验收记录工程名称河南华美生物医药产业园项目- 民生药业消防泵房、消防水池分项工程名称基础筏板接地装置...
接地装置安装工程 报验申请表工程名称 :编号: 电-A( 地)-01致:(监理单位)我单位已完成了工作 , 一期 A 楼 D-1~D-9/D-A~D-W轴...
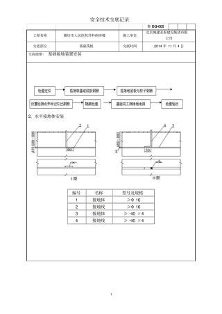
安全技术交底记录1 鲁 DQ-005工程名称潍坊市人民医院外科病房楼施工单位北京城建亚泰建设集团有限公司交底部位基础筏板交底时间2014 年...
毕业设计 ( 论文) 题目 铅酸蓄电池充电装置的设计毕业设计(论文)原创性声明和使用授权说明原创性声明本人郑重承诺:所呈交的毕业设计...
课程设计 (论文 )题 目 名 称基于单片机地温度测量装置课 程 名 称单片机原理及应用学 生 姓 名学号 11413040 系 、专业信息...
2013 年度本科生毕业论文(设计)基于 PLC地站用电源备自投装置地设计院 - 系:工学院自动化系专业:电气工程及其自动化 _ 年级: ...
在线监测装置为配电网安全运行保驾护航河南省平顶山市电业局QC 成果 “配电网电压质量在线监测装置 ”获得 2004 年河南省电力公司科技...
国内有 15 套 PDH 装置计划投产芳构化魅影或再现2014-04-02 13:59:44|来源:金银岛 | 我要分享腾讯微博 QQ空间 QQ好友新浪微博 ...
1/25word.一、工程概况1、工程简介:项目名称:XXX 生产装置检修建设单位:XXX施工单位:XXXX工作量:塔类检修 13 台、容类器检修 21 ...
放射性同位素与射线装置安全和防护状况年度评估报告(可以直接使用,可编辑实用优秀文档,欢迎下载)核技术利用单位放射性同位素与射线装置...
1闭式高温凝结水回收装置冷暖两相知闭式高温凝结水回收装置闭式回收凝结水的意义及装置简介:蒸汽间接加热系统中,蒸汽在加热设备内释放出...
如何选择吸氧装置?医用氧气吸入器主要为浮标式氧气吸入器浮标式医用氧气吸入器的浮标所指示的刻度一般为 0~10L/min,意思是每分钟从潮化瓶...
第 1 页共 7 页环氧乙烷、乙二醇装置简介和重点部位及设备一,装置简介(一)EO/EG(环氧乙烷/乙二醇)行业发展史及生产现状 1,E0/EC 行...

