解:1水碳比=水分子油I均分子量X总碳蒸汽量X油平均分子量=18X92_18X进油量X总碳=18X3X92=15.1脱硫系统计算例题1.某厂原料天然气用量为2805...
生产装置冬季防冻防凝安全操作规程为防止油、水、蒸汽、风、催化剂冻结事故发生,冬季生产必须强调如下内容,一般从十一月至来年三月执行,...
杭州电子科技大学毕业设计(论文)开题报告题目水下机器人深度调节装置设计学院卓越学院专业自动化姓名M班级13184111学号13062220指导教师...
110kVXX输变电新建工程110kV故障录波装置技术规范书2020年05月通用部分1总则1.1引言提供设备的厂家、投标企业应具有ISO9001质量保证体系认...
超偏载检测装置系统简介AAAAA一.原理及系统构成超偏载检测设备适用于检测各种型号的货车的超偏载。本系统由计算机、称重软件、高精度传感器...
炼油生产安全技术—催化裂化的装置简介类型及工艺流程催化裂化技术的发展密切依赖于催化剂的发展。有了微球催化剂,才出现了流化床催化裂化...
大唐国际发电大唐多伦年产46万吨煤基烯烃工程空分装置土建工程质量监理细那么严新平胡炜天津辰达工程监理大唐多伦工程监理部2006.9内蒙古多...
监C04编D01监理实施细那么〔避雷针〔网〕及接地装置安装工程〕工程名称将来海岸系天湖业主厦门海投房地产设计福建建筑设计院监理厦门海投建...
室内蒸汽道及附属装置安装工艺〔110—1998〕11范围本工艺适用于民用及一般工业建筑蒸汽压力不大于0.8MPa道及附属装置安装工程。22施工准备2...
厦门一中2014级高一化学练习班级座号姓名高一备课组倾情巨献气体的制备及其装置气体制备装置一般分四大部分:发生装置,净化装置(干燥装置...
烟气脱硝装置(SCR)技术一、SCR装置运行原理如下:氨气作为脱硝剂被喷入高温烟气脱硝装置中,在催化剂的作用下将烟气中NOx分解成为N2和H20,其...
装设抽油机防护装置的推荐作法SY/T6518-2001国家经济贸易委员会本标准等效采用了美国石油学会《装设抽油机防护装置的推荐作法》(年版)。...
10kV500kWh200MW100kWh100MW380/220V2IIIIIIIV10000kVA2000kVA10kV10kV10kW100M315kVA100kV315kVA10880.010.050.10.20.2S0.5S0.51.02.03.02...
中国石油化工股份有限公司胜利油田分公司石油化工总厂污水处理场达标升级项目50m3/h和260rm/h高效气浮装置技术规格书武汉炼化工程设计有限...
山东****化工有限公司加氢裂化车间安全技术规程(编号)编写审核批准编写说明****化工有限公司180×104t/a加氢裂化装置,采用****开发的多产...
第1页共4页编号:时间:2021年x月x日书山有路勤为径,学海无涯苦作舟页码:第1页共4页1、常见放射源分类简表根据《放射源分类办法》(环保...
第1页共12页编号:时间:2021年x月x日书山有路勤为径,学海无涯苦作舟页码:第1页共12页放射性同位素与射线装置安全和防护条例(国务院令第4...
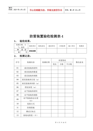
第1页共12页编号:时间:2021年x月x日书山有路勤为径,学海无涯苦作舟页码:第1页共12页防雷装置验收检测表-11、验收结果:检测日期、天气...
第1页共9页编号:时间:2021年x月x日书山有路勤为径,学海无涯苦作舟页码:第1页共9页编号:公用微机低周减载装置检验作业指导书编写:年月...
四位一体多功能传热培训装置操作规程天津大学过程工业技术与装备研究所天津市睿智天成科技发展有限公司1目录前言............................

