贵州康蓝蓝宝石贵州康蓝蓝宝石新材料有限公司大兴科技工业园区一期厂房和生活区建设项目办公楼基础施工方案编制单位:贵州省大地建筑工程有...
XX办公楼闭路电视监控系统施工组织设计施工单位:编制:审核:日期:2010年09月25日目录第1章概述41.1工程概况..................................
目录环维篇环维部保洁员工作职责………………………………………………………………1环维部保洁员作业操作规程…………………………………...
某市政府新建办公楼工程施工组织设计第一章工程概况1.工程简述项目名称:某市政府新建办公楼工程建设单位:某市市直机关事务管理局设计单位...
DB64/266-2003表B1-2施工组织设计(方案)报审表工程名称:神华宁煤集团83万吨/年二甲醚项目一期工程装置名称:净化及合成装置致:天津辰达...
XX办公楼闭路电视监控系统施工组织设计技术资料部分施工单位:编制:审核:日期:2005年10月19日品印科技官网:xshangyin99x目录第1章概述........
REF:Y07-004_JLXZ_003工程名称:科技园办公楼细那么名称:施工测量监理施行细那么编制:批准:编制日:2007年04月01日目录一、工程概况:.....
施工组织设计文件一、施工技术方案1、工程概况工程名称:报社办公楼室内装修工程建设单位:劳动报社工程地址:承包范围:1、2、3、4、5、6...
工程办公楼建筑节能监理施行细那么〔示范本〕工程名称施工单位编制人总监理工程师编制日总师室二00六年八月编制说明本监理施行细那么根据建...
合肥市某高层办公楼给排水设计(1)摘要:随着我国经济建设的快速发展,人民生活水平的提高,城市中越来越多地出现高层建筑,而且高层建筑...
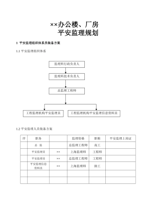
××办公楼、厂房平安监理规划1平安监理组织体系员装备方案1.1平安监理组织体系1.2平安监理人员装备方案序职务监理资格职称平安监理上岗证...
招商银行重庆分行新办公楼工程平安文明施工监理施行细那么一、工程概况分行办公大楼总建筑面积为约20000m2其中本次精装修工程面积约12500m2...
技术、质量交底记录C2-03工程名称东宁边防检查站办公楼编5-1交底工程钢筋工程交底日2011年8月18日交底内容技术、质量交底内容:一、工程概...
海淀区五路居住宅小区办公楼及配套拆除工程施工组织设计编制人:审核人:审批人:北京市长丰源房屋拆除有限责任公司二○一四年五月四日目录...
XX年办公楼调研报告2篇一、前言:调研人:xxx调研时间:xxxxxxx调研方式:实地考察、网上查询、资料收集二、正文:1.调研目的了解办公建筑...
乌海人民检察院技侦综合办公楼工程部技术交底内蒙古新华建建立集团工程部目录一、工程概况二、技术交底三、材料设备、理四、检验批、分项、...
一、编制根据1、北京?建立工程监理规程?DBJ01-41-20022、理工大良乡新校区数字化图书馆、行政办公1#楼施工图纸3、?理工大良乡新校区数字化...
工程名称:长垣蒲西地税所办公楼安全监理实施细那么编制人:王娟审批人:高志峰监理:河南新源建立工程理长垣蒲西地税所办公楼平安监理施行...
重庆地方直属征收理办公楼装饰工程监理规划〔含监理细那么〕重庆建永工程监理二OO一年六月目录一、工程工程概况二、监理工作范围三、监理工...
知识不仅是指课本的内容,还包括社会经验、文明文化、时代精神等整体要素,才有竞争力,知识是新时代的资本,五六十年代人靠勤劳可以成事;今天...

