“一事一议”竣工报告小屯镇长营村一事一议项目工程竣工报告编写单位:小屯镇长营村委会编写日期:二0一一年十二月小屯镇长营村一事一议筹...
博山区白塔煤炭公司白塔煤矿安全监测监控设备安装单位工程竣工资料编制单位:淄博梅科杰技术装备有限公司编制时间:二零一二年二月二十九日...
XX市竣工验收报告表建设工程竣工规划验收报审表(建筑工程)合格证编号:年鲁06-01a-建设单位:建设项目:XX市规划局XX市建设工程竣工规...
B9B9工程竣工预验收质量评估报告竣工预验收质量评估报告建设单位:设计单位:施工单位:监理单位(章):总监理工程师:公司技术负责人:预...
180507XX县区政道路工程竣工报告XX县区纬四路新建工程竣工报告福建永建建筑工程有限公司二0一三年十月XX县区纬四路新建工程XX县区纬四路新...
北京市地方性标准DB编号:DBJ/T01—70—2003备案号建筑结构长城杯工程质量评审标准TheSpecificationofBuildingQualityEvaluationfortheGrea...
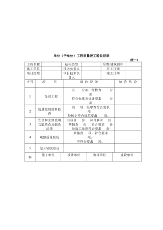
单位(子单位)工程质量竣工验收记录统—1工程名称结构类型层数/建筑面积施工单位技术负责人开工日期项目经理项目技术负责人竣工日期序号项...
四川省建设工程单位工程质量竣工验收记录J2工程名称雅安荥经县城区东门防洪堤建设单位雅安荥经县水利局施工单位四川三一雅安荥经东门防洪堤...
学校教学楼竣工验收总结报告双峰中心小学教学楼工程总结参加验收的各位领导。你们好。首先,我代表双峰中心小学感谢参建各单位从工程开工到...
高新区建设工程质量阶段验收和竣工验收实施办法第一章总则第一条为规范我区建筑工程质量阶段验收和竣工验收工作行为,建立科学公正、真实有...
某学校教学楼办公楼实验楼图书馆宿舍食堂土建工程设备工程水暖工程电气工程基础工程主体工程屋面工程装修工程土方开挖砌筑垫层施工基础回填...
工程竣工验收备案申请表监督员姓名:工程名称工程地址建设单位联系人联系电话申请验收日期确定验收日期工程完成情况由公司承建的工程(建筑...
室外给排水工程竣工总结给排水工程竣工总结一、工程概况。该工程为裕隆o国际商住楼工程的室外给排水工程,共分为三个分项,即给水系统、排...
市政竣工总结报告一期(室外市政)工程施工总结我公司承建的(室外市政)工程位于,在施工过程中我司本着“安全第一,质量为本”的施工精神...
XXX桥工程工程竣工质量评估报告项目监理部(章):总监理工程师:总工程师:日期:XXX桥工程竣工质量评估报告一、工程概况XXX桥位于xx。xx...
工程款竣工结算基本程序工程经各方竣工验收承包单位提交竣工结算资料监理工程师审核三方协商总监理工程师签发竣工结算《工程款支付证书》建...
一、钢筋混凝土现浇楼板裂缝通病表现形式:现浇板易产生贯通性裂缝或上表面裂缝;现浇板外角部位易产生斜裂缝;现浇板沿预埋线管易产生裂缝...
B9B9工程竣工预验收质量评估报告竣工预验收质量评估报告建设单位:设计单位:施工单位:监理单位(章):总监理工程师:公司技术负责人:预...
市政工程竣工总结XX市西滨道西段拓宽改造工程竣工总结四川中晟建筑工程集团有限公司2013.1.23一、工程概况1.1本项目名称。XX市西滨道西段拓...
工程项目部安全管理台账目录开工前资料:序号资料名称数量备注1安健环目标承包合同书一式三份安环部备案2单项安全技术措施审批书一式两份安...

