市政道路排水工程施工组织设计范例芜湖市通江大道城建道路改造工程编制人:编制单位:江西际洲建设工程集团有限公司排水深基坑专项施工方案...
沁园路(前丰中学西侧路—机场路)道路工程沁 园 路排水工程专项施工方案编制:审批:前 丰中学 西 侧 路 — 机场路 )2012 年 ...
安管 3—2 表沟槽开挖安全技术交底单位工程名称施工部位安全技术交底内容施工现场针对性安全交底施工单位施工内容天气沟槽开挖1、 按照...
市政道路排水工程主要工序施工工艺市政道排工程施工遵循的基本顺序是:先地下,后地上;先深后浅。按照这个顺序,正常的施工顺序为基础处理...
安管 3—2 表单位工程名称施工部位安全技术交底内容1、2、施工单位施工内容天气沟槽开挖按照施工方案的要求作业;人工挖土时应由上而下,...
短信智能一体化排水泵站 (型号:FXBZ-PS-Ⅲ) 说 明 书 贵州飞翔环保工程有限公司 一、概述 随着经济和人口的增长,对大自然的污染...
1 总则1.0.1 为使城镇给水管道非开挖修复更新工程做到技术先进、安全可靠、经济合理、保证质量,减少对环境的影响,制定本规程。1.0.2 ...
施工技术交底记录施管表工程名称施工单位交底内容:1、业主、监理现场交桩,复测无误后方可使用,在使用的过程中经常对高程和轴线控制桩进...
市政道路、排水资料员(简单流程)一、做资料之前要搞定的事:1、开工之前,通看图纸,进行分部、分项划分,并且一定要得到监理的认可。2、...
word 文档目录第一章 XX 大道道路施工组织设计 ................................................. 4第 1 节 编制依据、范围及原...
平阳县昆阳镇城东新区经四路(远东路-昆宋大道)市政工程平阳县昆阳镇城东新区经四路市政工程(远东路-昆宋大道)施工组织设计第一册、道路...
质量保障措施一、市政工程施管理质量保证措施1质量管理目标2质量管理方法3质量控制体系4为确保质量所采取的检测试验手段及措施5技术保证措...
市政排水管道沟槽开挖工程安全专项方案目录市政排水管道沟槽开挖工程安全专项方案1、编制说明、依据1.1、编制说明本项目的排水工程,主要涉...
市政排水管道检测大纲一、项目概况及任务XXXX 城镇污水处理项目(管网提质增效工程),工作内容包括市政排水管网排查、疏通、检测,需完成...
(一)准备工作⑴测定管道中线、附属构筑物位置,并标出与管线冲突的地下、地上构筑物位置;⑵核对永久性水准点,建立临时水准点;⑶核对接...
市政排水管道施工 4 个质量通病市政道路排水系统是城市市政设施得以正常使用的重要设施之一,确保其施工质量至关重要。最常见的质量通病...
安 全 技 术 交 底 记 录工程名称作业班组工作内容交 底 人遵义市红花岗区药业园区市政工程排水管道基础及安装施工单位施工部位交...
市政排水管道土方开挖专项施工方案南环二路改造工程二标段排水管道工程土方开挖专项方案江苏圣通建设集团有限公司南环二路改造工程二标段项...
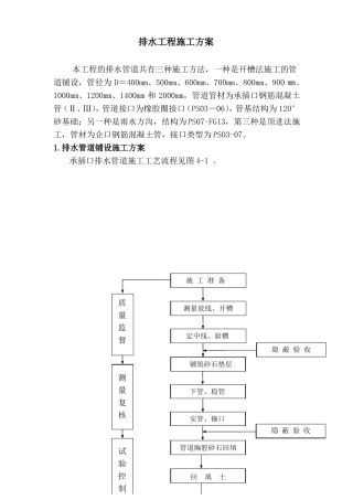
排水工程施工方案本工程的排水管道共有三种施工方法,一种是开槽法施工的管道铺设,管径为 D=400mm、500mm、600mm、700mm、800mm、900 ...
×××××项目排水工程专项施工方案编制人:审核人:审批人:×××××有限公司×××××项目经理部二〇一七年十一月目录第一章 编制依...

