更多企业学院: 《中小企业管理全能版》183 套讲座+89700 份资料《总经理、高层管理》49 套讲座+16388 份资料《中层管理学院》46 ...
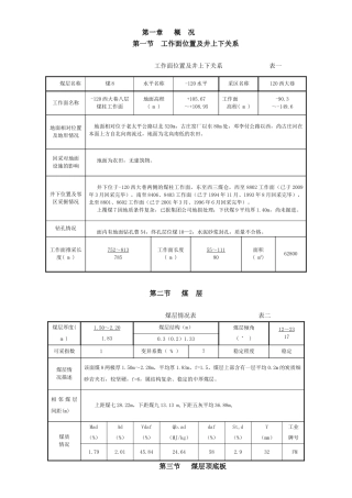
第一章 概 况第一节 工作面位置及井上下关系 工作面位置及井上下关系 表一第二节 煤 层 煤层情况表 表二煤层厚度( m )1.50 ~...
前 言内蒙古荣泰煤炭有限责任公司煤矿(以下简称荣泰煤矿)位于东胜煤田山不拉东部详查区外围,行政区划隶属准格尔旗纳日松镇。荣泰煤矿为...
作业规程(方案)报审表工程名称:郭家湾煤矿 5-1 煤中央带式输送机大巷 编号:QY/GJW -2011-003致:北京康迪建设监理咨询公司 (监理...
11 大巷煤柱顶分层掘进工作面供电系统设计说明书概述:该工作面位于 11 采区上部,上为露头保护煤柱,下为1111 三阶段回采工作面,西邻...
山西沁源凤凰台煤业有限公司11号煤轨道大巷施工作业规程号煤轨道大巷施工作业规程中煤五建山西分公司凤凰台项目部二〇一二年五月作业规程报...
织金县珠藏镇龙井煤矿M23运输大巷B段(全岩)防止误揭煤层安全技术措施二〇一一年七月二十五日织金县珠藏镇龙井煤矿M23运输大巷B段(全岩)...
煤矿轨道大巷延伸顶板下压、落底安全技术措施煤矿轨道大巷延伸顶板下压、落底安全技术措施一、工程概况轨道大巷延伸已施工至P4测点前26m,...
-0-第一章工作面概况第一节概述一、巷道名称本巷道为:北翼人员运输大巷。北翼人员运输大巷开口位置在措施三巷内,以导线点YL1坐标为(X=47...
第1页共4页2024年运输大巷安全管理制度一、引言随着城市化进程的不断加快和人们生活水平的提高,城市交通以及物流运输需求不断增加,尤其是...
编号:HEXH2012-AJC-__西回风大巷底板硬化施工安全技术措施山西霍尔辛赫煤业有限责任公司综采一队2012年10月内审记录表单位综采一队主持...
+666水平胶带大巷铺设永久轨道及硬化底板安全技术措施编制:杜利平审批:技术经理:安全经理:生产经理:项目经理:中煤31处司马项目部2006...
零盘区补运料巷与零盘区大巷贯通通风安全措施根据地测中心下发的关于二号井零盘区补运料巷与零盘区大巷贯通的通知。此贯通巷道岩巷贯通。贯...
井巷喷浆、注浆施工安全技术措施一、喷浆技术质量要求:1、喷浆料的配比为水泥:黄砂:瓜子片=1:2:2或水泥:混合料=1:4。采用黄砂、瓜子...
西胶大巷起吊、安装高架溜子减速器安全技术措施编制人:张瑞敏编制单位:综掘二队编制日期:2013年3月4日技术措施审批表1措施名称西胶大巷...
顾桥煤矿施工安全技术措施淮南矿业(集团)公司顾桥煤矿南翼胶带机大巷(二)搭接硐室(一)刷扩补充注浆施工安全技术措施施工单位:开拓501...
挖金湾区主要运输大巷锚注施工安全技术措施一、编制说明:主要运输大巷于1548.3m处受断层带影响造成围岩异常破碎,1559-1606.9m段已施工巷...
集中轨道、运输大巷喷浆、铺底安全技术措施一、概述10号煤层轨道、运输大巷采用机掘施工,机掘速度快,喷浆成巷滞后于掘进工作面,为提高巷...
集中轨道大巷挑顶安全技术措施一、概况:集中轨道大巷顶板及两帮坑洼不平,且煤质酥软,造成巷道局部断面不够,不符合设计院设计要求,需挑...
回顺与轨道大巷交叉处加强支护U型棚架棚安全技术措施一、技术要求:1、架棚采用11#矿用工字钢加工制作,棚子形式:半圆拱。2、棚子净宽3.80...

