电脑桌面
添加小米粒文库到电脑桌面
安装后可以在桌面快捷访问

-120大巷煤柱面作业规程VIP免费

-120大巷煤柱面作业规程_第1页
1/66
-120大巷煤柱面作业规程_第2页
2/66
-120大巷煤柱面作业规程_第3页
3/66
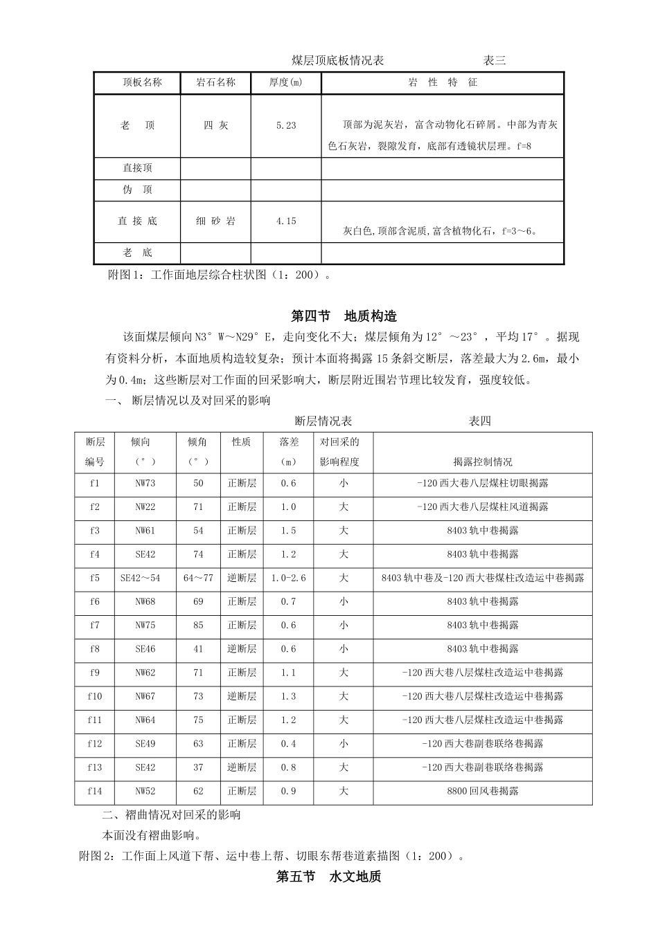
第一章 概 况第一节 工作面位置及井上下关系 工作面位置及井上下关系 表一第二节 煤 层 煤层情况表 表二煤层厚度( m )1.50 ~ 2.20 1.83煤层结构(m)煤层倾角( ° )12 ~ 23 170.3(0.2)1.33可采指数1变异系数( % )7稳定程度稳定煤层情况描述该面煤 8 两极厚 1.50m~2.20m,平均厚 1.83m,f=1.5,煤层上部含有一层平均 0.2m 的炭质细砂岩夹石,较坚硬,f=6,属结构复杂、稳定的中厚煤层。相 邻 煤 层间距(m)上距煤七 28.22m,下距煤九 13.13 m,下距五灰平均 36.88m,煤质情况Mad(%)Ad(%)Vdaf(%)Qb.ad(MJ/kg)daf(%)St,d(%)Y(mm)工业牌号1.792.0145.8424.64582.932FM第三节 煤层顶底板 煤层名称煤 8水平名称-120 水平采区名称120 西大巷工作面名称-120 西大巷八层煤柱工作面地面高程( m )+105.67~+108.95工作面高程( m )-90.3~-149.6地面相对位置及地形情况地面相对位于老太平公路以北 520m,古庄窑厂以东 80m 处,邓李付公路以西,尚古庄河在本面上方自北向南流过,地面为北高南低的农田。回采对地面设施的影响地面为农田,无建筑物。井下位置及邻区采掘情况井下位于-120 西大巷两侧的煤柱工作面,东至西三煤仓,西至 8802 工作面(已于 2009年 3 月回采完毕),南至 8406、8403 工作面(已于 1994 年 11 月、1993 年 8 月回采完毕),北至 8801、8602 工作面(已于 2001 年 3 月、1996 年 6 月回采完毕)。上覆煤 7 因地质条件复杂,已报集团公司地损处理;下伏煤 9 平均厚 1.40m,尚未掘进。钻孔情况 面内有地面钻孔曹 54,终孔层位煤 10—2,水泥砂浆封孔,质量不合格。工作面推采长度( m )752 ~ 813 785工作面长度( m )55 ~ 111 80面积( m2)62800 煤层顶底板情况表 表三 顶板名称岩石名称厚度(m)岩 性 特 征老 顶四 灰5.23顶部为泥灰岩,富含动物化石碎屑。中部为青灰色石灰岩,裂隙发育,底部有透镜状层理。f=8直接顶伪 顶直 接 底细 砂 岩4.15灰白色,顶部含泥质,富含植物化石,f=3~6。老 底附图 1:工作面地层综合柱状图(1:200)。第四节 地质构造该面煤层倾向 N3°W~N29°E,走向变化不大;煤层倾角为 12°~23°,平均 17°。据现有资料分析,本面地质构造较复杂;预计本面将揭露 15 条斜交断层,落差最大为 2.6m,最小为 0.4m;这些断层对工作面的回采影响大,断层附近围岩节理比较发育,强...

1、当您付费下载文档后,您只拥有了使用权限,并不意味着购买了版权,文档只能用于自身使用,不得用于其他商业用途(如 [转卖]进行直接盈利或[编辑后售卖]进行间接盈利)。
2、本站所有内容均由合作方或网友上传,本站不对文档的完整性、权威性及其观点立场正确性做任何保证或承诺!文档内容仅供研究参考,付费前请自行鉴别。
3、如文档内容存在违规,或者侵犯商业秘密、侵犯著作权等,请点击“违规举报”。

碎片内容

-120大巷煤柱面作业规程

您可能关注的文档

黄金阁书苑+ 关注
实名认证
内容提供者

热爱教学事业,对互联网知识分享很感兴趣

确认删除?
VIP
微信客服
  • 扫码咨询
会员Q群
  • 会员专属群点击这里加入QQ群
客服邮箱
回到顶部