1 塔式起重机QTZ80 基础荷载及附着杆荷载内力计算 一、编制依据 1、《建筑结构荷载规范》GB50009-2001(2006 年版)。 2、《钢结构设...
石油化工高塔风荷载(沿塔身质量分布均匀的1 计算依据:SHT3030-2009 石油化工塔型设备基础设计规范GB50009-2012 建筑结构荷载规范2 风...
地下室顶板施工荷载补强方案 工程名称:柴埠区块提升改造安置小区1 -1 地块三标段 编 制 人: 职务: 审 核 人: 职务: 批 ...
2012 新荷载规范风荷载计算及其在 PKPM 软件中的实现 引言 相对于上一版规范 GB50009-2001(以下简称 2001 规范),《建筑结构荷载...
第 1 页 共 77 页建筑结构荷载规范GB50009-2001 第 1 章 总则第 1.0.1 条为了适应建筑结构设计的需要,以符合安全实用、经济合...
1 海洋平台有限元建模 我们采用大型通用有限元软件ANSYS进行海洋平台的建模及力学分析。建模时,主要采用PIPE16单元、PIPE59单元、COMBIN...
新桥规(公路I、II级、人群荷载计算)
人防荷载 人防荷载:人防规范原执行GB50038—94(2003 版),2006-03-01 执行GB50038—2005。 4.7 防常规武器的等效静荷载 表4.7.2 顶...
城市桥梁设计荷载标准
目 次 1 总则 2 术语、符号 3 城市桥梁设计荷载 4 城市桥梁设计可变荷载 附录A 本标准用词说明 附加说明 1 总则 1....
1 分布式光伏电站支架结构及荷载计算书 2019 年 12 月 2 目 录 一 、 工 程 概 况 .........................................
SAP2000 面荷载传导方式 1. 传导到框架 实验条件:面荷载大小P=1kN/m 2,沿重力方向,钢材密度ρ =0 (1) 单向传导 图1. 四边都不...
XXXXXXXXX第一合同段[ 水泥搅拌桩 ] (K7+XXX-K7+XXXX)平板载荷试验检测报告xxxxxxxxxxxxxxxxxxxx有限公司二〇一 x 年 x 月 xx ...
屋顶光伏电站的荷载计算 一、楼顶分布式光伏屋面荷载检定 楼顶分布式光伏建筑屋面檩条截面均为Z200X70X20X2.0(2.5 端跨厚),材质为Q235,...
10332005管道荷载计算方法规定OK
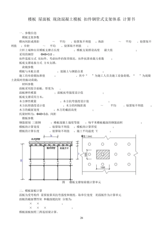
2 8 楼板(屋面板)现浇混凝土模板(扣件钢管式支架体系)计算书 一、参数信息: 1.模板支架参数 横向间距或排距(m):l=1.1~1.2平均1.15,...
屋面楼面荷载取值表荷载取值屋面常屋 1. Ⅲ级柔性防水层节能屋面(非上人) (K=0.5)1. 4 厚自带保护层 SBS 改性沥青防水卷材一道1...
屋面及楼面永久荷载标准值:一、屋面永久荷载标准值1、非上人屋面 (一)(辽 92J201【37 P14】)无隔气层保护层防水层0.40KN/m21:3 水...
技术资料共享知识××大桥荷载试验方案二○○四年十月二十五日WORD 格式可编辑专业知识整理分享一、 工程概况××大桥位于××高速公路K3...
.................................. 专业技术 Word 资料下载可编辑××大桥荷载试验方案二○○四年十月二十五日范文 范例指导参考word...

