下载后可任意编辑电厂电力建设项目安全检查方案 电厂电力建设项目安全检查方案为深刻吸取 x 发电厂“x·x”特别重大事故教训,举一反三...
下载后可任意编辑班组安全检查制度1、班组安全检查由班组长组织有关人员或由班组长、班组安全员、班组群监员联合组织检查,对当班安全生产状...
食堂安全卫生检查表检查人员:受检人员:检查日期:序号检查内容、要求检查结果存在问题及应对措施1.从业人员经安全培训合格,经卫生部门体...
仅供个人学习参考食堂卫生和食品安全检查记录检查日期: ??????????????????????????? 检查人:检查项目检查内容检查结果整改情况工作人...
幼儿园食品安全检查记录表检查时间:年月日分类检查内容合格不合格各岗位必查内容1、按要求验收购进物品质量、数量。2、厨房全员仪容仪表,...
食品安全检查的内容包括:1、食品以及食品相关产品中的致病性微生物、农药残留、兽药残留、重金属残留、污染物质、疫病疫情以及其他危害人...
食品安全检查总结报告在当前社会中,食品安全成为了我们备受关注的问题,那么在进行食品安全检查之后应该如何写好总结报告呢?下面就和 xx...
项目部定期安全检查记录编号:工程名称安徽泰睿国际建材家居生活广场检查时间2017 年 6 月 20 日检查人员项目主要管理人员存在问题及...
仅供参考 [整理 ] 第 1 页 共 4 页安全管理文书项目部安全检查主要内容日期: __________________单位: __________________仅供...
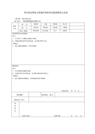
项目部定期安全质量环保检查及隐患整改记录表工程名称:建业百城天地施工单位: 河南鸿宸建设有限公司检查人员姓名李林周王磊郑劲松李文光...
表 6.1.5 项目部安全检查记录汇总表编号2011 年检查负责人检查结果整改情况备注月日1 11 5 翁晓峰部分工人安全帽未配戴、施工用电线...
模板支撑体系安全检查验收表项目名称遵义医学院职工住宅水木清华施工单位:二十一冶建设有限公司搭设部位8#楼一单元搭设班组木工支模高度栋...
模板支撑体系安全检查验收表项目名称遵义医学院职工住宅水木清华施工单位:二十一冶建设有限公司搭设部位8#楼一单元搭设班组木工支模高度栋...
项目安全检查记录表检查类型:周检表 8-06 单位名称合肥绿都建筑装饰工程公司项目部工程名称徽商银行合肥长江东大街支行检查时间2013-6-0...
关键信息基础设施网络安全检查总结报关键信息基础设施网络安全检查总结报告 XX 根据**市网络与信息安全协调小组印发《**市 20**年网络与...
下载后可任意编辑物业经营公司 2024 年寒假前安全检查工作方案物业经营公司 20XX 年寒假前安全检查工作方案 为做好公司寒假期间的安全...
下载后可任意编辑爆破物品安全检查制度安全检查是落实各项规章制度执行情况的一项行之有效手段之一,全面实行各级人员的安全检查制度是提高...
下载后可任意编辑煤矿安全检查总结汇报 煤矿安全检查总结汇报|煤矿安全检查工实训报告 为仔细做好全区非煤矿山安全生产工作,促进矿业经...
下载后可任意编辑烟花爆竹安全检查制度1.为了法律规范公司的安全检查行为,促使公司内安全检查工作切实有效地落实、开展,促进公司的安全生...
仅供参考 [整理 ] 第 1 页 共 5 页安全管理文书隧道施工安全检查内容日期: __________________单位: __________________仅供参...

