电脑桌面
添加小米粒文库到电脑桌面
安装后可以在桌面快捷访问

项目部安全检查隐患整改记录表

项目部安全检查隐患整改记录表_第1页
1/10
项目部安全检查隐患整改记录表_第2页
2/10
项目部安全检查隐患整改记录表_第3页
3/10
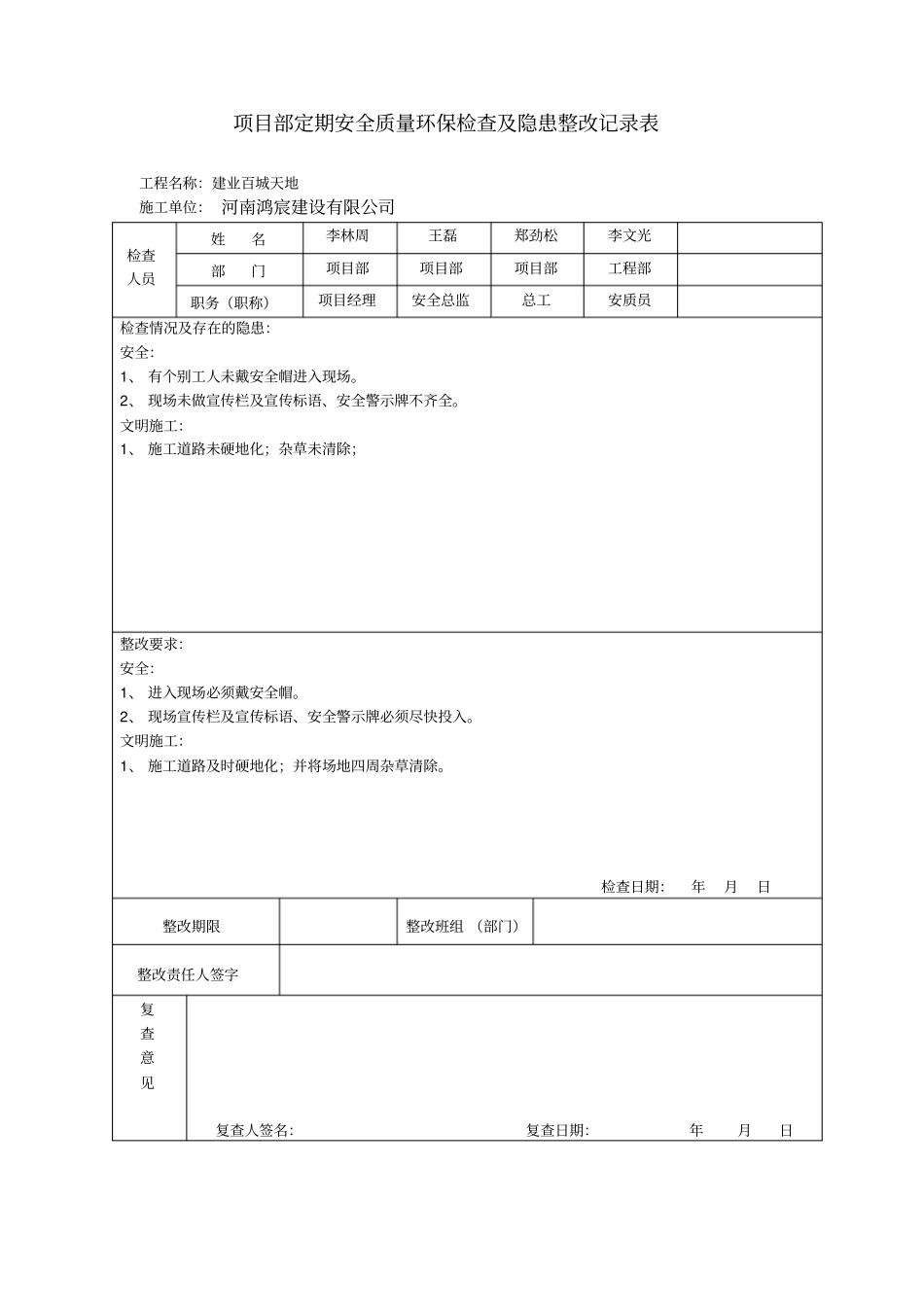
项目部定期安全质量环保检查及隐患整改记录表工程名称:建业百城天地施工单位: 河南鸿宸建设有限公司检查人员姓名李林周王磊郑劲松李文光部门项目部项目部项目部工程部职务(职称)项目经理安全总监总工安质员检查情况及存在的隐患:安全:1、 有个别工人未戴安全帽进入现场。2、 现场未做宣传栏及宣传标语、安全警示牌不齐全。文明施工:1、 施工道路未硬地化;杂草未清除;整改要求:安全:1、 进入现场必须戴安全帽。2、 现场宣传栏及宣传标语、安全警示牌必须尽快投入。文明施工:1、 施工道路及时硬地化;并将场地四周杂草清除。检查日期:年月日整改期限整改班组 (部门)整改责任人签字复查意见复查人签名:复查日期:年月日项目部定期安全质量环保检查及隐患整改记录表工程名称:建业百城天地施工单位: 河南鸿宸建设有限公司检查人员姓名李林周王磊郑劲松李文光部门项目部项目部项目部工程部职务(职称)项目经理安全总监总工安质员检查情况及存在的隐患:文明施工1、 施工材料堆码混乱,施工现场文明施工差。整改要求:文明施工:1、 做到“工完场清”每日定人定时对现场进行清理。对各类材料进行合理码放。检查日期:年月日整改期限整改班组(部门)整改责任人签字复查意见复查人签名:复查日期:年月日项目部定期安全质量环保检查及隐患整改记录表工程名称:王建业百城天地施工单位: 河南鸿宸建设有限公司检查人员姓名李林周王磊郑劲松李文光部门项目部项目部项目部工程部职务(职称)项目经理安全总监总工安质员检查情况及存在的隐患:安全:1、 个别卷扬机钢丝绳存有断丝、断股、生锈、缺油、变形现象。整改要求:安全:1、对卷扬机所用钢丝绳进行全面检查,对上述不符合要求的钢丝绳进行更换检查日期:年 月日整改期限整改班组 (部门)整改责任人签字复查意见复查人签名:复查日期:年月日项目部定期安全质量环保检查及隐患整改记录表工程名称:建业百城天地施工单位: 河南鸿宸建设有限公司检查人员姓名李林周王磊郑劲松李文光部门项目部项目部项目部工程部职务(职称)项目经理安全总监总工安质员检查情况及存在的隐患:安全:1、 个别作业人员未按要求配备安全带。文明施工:1、 施工现场材料。极具堆码换乱,文明施工差。整改要求:安全:1、作业人员必须规范佩戴好安全带。文明施工:1、立即派人将材料、机具等堆码整齐。加强现场文明施工检查日期:年月日整改期限整改班组 (部门)整改责任人签字复查...

1、当您付费下载文档后,您只拥有了使用权限,并不意味着购买了版权,文档只能用于自身使用,不得用于其他商业用途(如 [转卖]进行直接盈利或[编辑后售卖]进行间接盈利)。
2、本站所有内容均由合作方或网友上传,本站不对文档的完整性、权威性及其观点立场正确性做任何保证或承诺!文档内容仅供研究参考,付费前请自行鉴别。
3、如文档内容存在违规,或者侵犯商业秘密、侵犯著作权等,请点击“违规举报”。

碎片内容

项目部安全检查隐患整改记录表

您可能关注的文档

确认删除?
VIP
微信客服
  • 扫码咨询
会员Q群
  • 会员专属群点击这里加入QQ群
客服邮箱
回到顶部