目录1、防水方案及施工方法..............................12、系统防水材料的选择..............................13、一般细部节点防水做...
屋面板岩SBS改性沥青卷材防水层热熔法施工工艺标准1适用范围本工艺标准适用于工业与民用建筑工程坡度小于25%的I~Ⅲ级,屋面采用板岩SBS改...
防水材料第一章建筑功能材料主要内容:防水卷材1.2.3.4.防水涂料建筑密封材料防水材料的选用防水材料介绍防水材料是指能够防止雨水、地下水...
暖尔特热力科技有限公司二O一O年八月SBS供热系统((SSmall/Smartmall/SmartBBoileroilerSSystemystem))科技引领未来2科技引领未来初投资...
SBS防水卷材施工方案SBS改性沥青防水卷材施工方案一、工程概况:贵单位原有屋面为上人屋面,经过我公司技术人员现场踏勘,结合本工程的具体...
地下室SBS防水卷材施工方案目录一、工程概述——-——------———-—--—--—-----——-—-----—-----—--——-—-—-—--—-(3—3)二...
中州分选矿二线蒸发地面SBS防水工程监理施行细那么一、专业工程特点主厂房地面防水为单层4㎜厚SBS抗渗层总铺贴面积约1600㎡面层为50厚花岗...
地下改性沥青油毡(SBS)防水层范围本工艺适用于高聚物改性沥青油毡地下防水层工程施工。施工准备2.1材料及要求高聚物改性沥青油毡防水卷材规...
义乌凤凰名城住宅工程〔SBS加瓦屋面工程〕监理实施细那么浙江大学建立监理义乌凤凰名城二标工程工程监理部2007年9月一、屋面工程质量监理的...
工程名称交底部位工程编日交底内容:厕浴间SBS橡胶改性沥青涂料防水层本技术交底适用于厕所、卫生间地面采用SBS橡胶改性沥青防水涂料冷作业...
SBS改性沥青卷材防水施工工艺一、施工前的准备工作(一)技术准备工作屋面防水工程施工前,施工单位应组织技术管理人员会审屋面工程图纸,...
第1页共9页编号:时间:2021年x月x日书山有路勤为径,学海无涯苦作舟页码:第1页共9页技术交底记录001工程名称今日花园东区二期北区施工单...
施表7.2’第页共页工程名称曹县亿联世家19#楼施工单位山东丰榜建筑工程有限公司交底提要:高聚物改性沥青防水卷材、铺贴的地下室防水工程的...
我国SBS的供需现状及发展前景分析来源:中国化工信息网2011年1月4日丁苯热塑性弹性体(SBS)是由苯乙烯和丁二烯在锂系催化剂作用下共聚而成的...
第1页共5页编号:时间:2021年x月x日书山有路勤为径,学海无涯苦作舟页码:第1页共5页地下改性沥青油毡(SBS)防水层施工1范围本工艺标准适用...
第1页共15页编号:时间:2021年x月x日书山有路勤为径,学海无涯苦作舟页码:第1页共15页技术交底记录表C2-1编号024工程名称交底日期施工单...
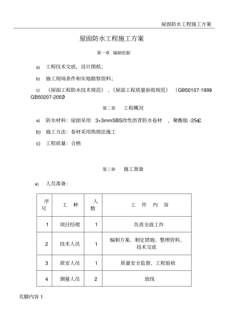
目录一、编制依据二、工程概况三、施工组织机构四、施工进度计划五、屋面防水工程施工方案六、成品保护七、保证工期措施八、质量保证措施九...
目录一、编制根据.....................................................................................................................
第1页共18页编号:时间:2021年x月x日书山有路勤为径,学海无涯苦作舟页码:第1页共18页SMA-13上面层(SBS改性沥青)配合比优化设计及施工...
第1页共10页编号:时间:2021年x月x日书山有路勤为径,学海无涯苦作舟页码:第1页共10页地下工程SBS防水卷材施工质量控制1、地下工程SBS防...

