SBS改性沥青混凝土路面施工工法1前言随着沥青混凝土路面施工技术旳发展、施工设备性能旳提高、施工技术规范和设计规范旳修订,原工法(YJGF...
1材料准备:1.1SBS改性沥青防水卷材3mm厚,进场时应具有出厂合格证、性能检测报告。进场后及时进行有见证取样复试,合格后方可使用。1.2冷...
第1页共10页编号:时间:2021年x月x日书山有路勤为径,学海无涯苦作舟页码:第1页共10页ABS塑料制品怎样粘接?(1)胶粘剂的选择;配方一(重量...
1.SBS改性沥青防水卷材SBS改性沥青防水卷材是热塑性弹性体改性沥青防水卷材中旳一种,它以聚酯毡或玻纤毡为胎基,苯乙烯-丁二烯-苯乙烯(SB...
技术交底记录表C2—1工程名称施工单位交底提要一、材料要求香地美舍1—8#楼地库外墙编号交底日期分项工程名称2015/3/15卷材防水地下室外墙...
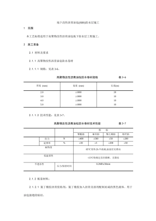
技术交底记录表C2—1工程名称施工单位交底提要一、材料要求编号024交底日期分项工程名称地下室外墙卷材防水施工技术交底卷材防水交底内容:...
XXXXXXXX改造工程施工比选施工组织方案目录第一章概述...................................................................................
ABS塑料制品怎样粘接?(1)胶粘剂的选择;配方一(重量份):ABS塑料粒30~40份,醋酸乙酯30份,丙酮30~40份。配方二(重量份):ABS树脂40份,...
地下工程SBS防水卷材施工质量控制1、地下工程SBS防水卷材施工对基层待控制要求(1)基层表面应压实平整,不得有酥松、起皮、起砂等缺陷;(...
SMA-13上面层(SBS改性沥青)配合比优化设计及施工质量控制王志刚一、沥青玛蹄脂碎石混合料(SMA)的特性及强度机理沥青玛蹄脂碎石混合料是...
第1页共11页编号:时间:2021年x月x日书山有路勤为径,学海无涯苦作舟页码:第1页共11页LB-20SBS单组份橡胶防水涂膜施工工法梁志勤欧活英邓...
第1页共19页编号:时间:2021年x月x日书山有路勤为径,学海无涯苦作舟页码:第1页共19页SBS改性沥青卷材屋面防水施工方案第一章概述1.1编制...
第1页共3页编号:时间:2021年x月x日书山有路勤为径,学海无涯苦作舟页码:第1页共3页地下改性沥青油毡(SBS)防水层分项工程质量管理1、依...
第1页共12页编号:时间:2021年x月x日书山有路勤为径,学海无涯苦作舟页码:第1页共12页住宅楼屋面APP改性沥青防水卷材施工方案一、工程概...
。-可编辑修改-***********************项目施工组织计划︵方案︶。-可编辑修改-******************公司****年**月**日目录一、编制依据二...
第1页共7页编号:时间:2021年x月x日书山有路勤为径,学海无涯苦作舟页码:第1页共7页地下室SBS防水卷材施工方案一、工程概况纬一路1号院....
第1页共39页编号:时间:2021年x月x日书山有路勤为径,学海无涯苦作舟页码:第1页共39页SBS改性沥青卷材屋面防水施工方案第一章概述1.1编制...
目录第一章编制依据第二章工程概况......................................................................................1第三章地下...
第1页共12页编号:时间:2021年x月x日书山有路勤为径,学海无涯苦作舟页码:第1页共12页屋面防水工程施工方案第一章编制依据第二章工程概况...
屋面防水工程施工方案页脚内容1屋面防水工程施工方案第一章编制依据a)工程技术交底,设计图纸;b)施工现场条件和实地勘察资料;c)《屋面工...

