SBSS 材防水热熔施工 1 范围本工艺标准适用丁工业与民用建筑工程屋面采纳高聚物改性沥宵卷材热熔法施工防水层的工程。2施工准备2. 1 ...
SBS 聚酯胎外墙防水施工方案1 编制依据1.1 8#楼地下室施工图纸。1.2《地下防水工程质量验收法律规范》(GB50208-22)。1.3《建筑工程施工...
SBS 改性沥青技术SBS 改性沥青是在原有基质沥青(AH-70)的基础上,掺加 2.5%、3.0%、4.0%的 SBS 改性剂。改性后的沥青,与原沥青相比...
屋面 SBS 防水卷材施工技术交底新.pdf 1、...平安技术交底表 C2-1 编号工程名称高邑县千秋路容貌提升 EPC 工程总承包交底日期 2025...
技术交底记录表 C2-1编 号工程名称香地美舍 1-8#楼交 底 日 期2025/3/15施工单位地库外墙分项工程名称卷材防水交底提要地下室外墙卷...
SBS 自粘防水卷材施工及方案 1、.贵安新区富贵安康小镇公共租赁住房〔二期〕SBS 改性沥青自粘防水卷材施工方案编制:审核:七冶博盛建筑...
深汇置业·仕府大院 3#4#楼地下防水工程施工方案 一、工程概况 二、编制依据 三、材料要求及机具 四、作业条件 五、施工进度计划及施...
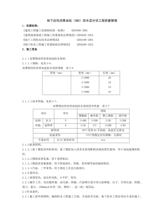
交底单位河南金建建设有限公司交底人接底单位接底人分项工程名称改性沥青油毡(SBS)防水层交底时间交底内容:地下改性沥青油毡(SBS)防水层施...
浅谈 SBS 防水卷材立面保护层施工技术浅谈 SBS 防水卷材立面保护层施工技术-安全管理网varsiteSetup={sitePath:'/',ajaxPath:'/ajax.as...
红桥区 2017 年老旧小区及远年住房改造坡屋面 SBS 防水专项施工方案DY—()建—()—()编制人:初审人:审核人:审批人:大元建业...
技术交底记录表 C2-1编号工程名称*1*交底日期2020.3.19施工单位分项工程名称卷材防水交底提要地下卷材防水施工技术父底交底内容:一、材料...
地下室卷材防水技术交底一、工程概况:本工程地下防水等级为二级,混凝土抗渗等级为,防水材料采用聚酯胎改性沥青防水卷材。二、技术标准:...
.word.zl.1、编制依据1.1 湘江湾商住楼建筑施工图1.2 屋面工程技术标准?GB50345-2012?1.3 屋面工程质量验收标准?GB50207-2012?1.4 建筑...
word 资料施工方案创新建设集团word 资料沥青防水卷材施工方案施工准备1、主材:SBS 改性沥青防水卷材2、辅助材料:PVC 沥青胶泥、纤维...
SBS 改性沥青防水卷材施工要点:施工方法——卷材与基层和卷材与卷材的粘接,可采用热熔法、冷粘法、热粘法。广泛采用热熔法,屋面工程也...
高等级公路 SBS 改性沥青路面施工技术吴家兴(中铁四局集团第一工程公司)摘要 本文根据长沙五一路、长沙至永安高速公路等工程实践,对...
中石化股份分公司操室屋顶 SBS 防水维修施工技术方案 编 制 人:一般重大综合 审 核 人: 批 准 人: 日 期: 2024 年 6 ...
办公楼屋面改造项目施工组织设计编制批准审核日期有限公司SBS 屋面防水工程施工方案屋面防水等级确定为二级,防水层耐用年限不小于 15 ...
SBS 改性沥青路面施工讨论论文 摘要:SBS 改性沥青具有很好的耐高温、抗低温能力;较好的抗车辙能力,在国内高等级公路、城市干道和机场...
SBS 改性乳化沥青粘层施工工法一、工法特点1、机械化程度高,设备组合具有很高的科学性。2、组织管理要求高。3、技术难度大,难点多,试验...

