单向阀的设计与仿真摘要:本文首先是在同种规格油压单流阀设计的基础上,充分考虑到水介质的低粘度、易腐蚀等理化特性,对单向阀进行初步结...
常 州 信 息 职 业 技 术 学 院学 生 毕 业 设 计 ( 论 文 ) 报 告系 别 : 机 电 工 程 学 院 专 业 :...
1 第 6章 绘 制 液 压 元 件 立 体 图 本 章 导 读 在 工 程 设 计 中 , 通 常 都 使 用 二 维 图 形 来...
单向阀球阀快换接头
3.2单向阀的使用与维修3.2.3单向阀使用注意事项及故障诊断与排除单向阀使用维修应注意以下事项:1)正常工作时,单向阀的工作压力要低于单向...
精品文档---下载后可任意编辑A 企业单向阀生产质量管理的开题报告一、选题背景单向阀是现代化机械工程中的重要零部件。它主要被用于液压系...
球阀配件(注脂阀、单向阀、排污阀、螺堵)样本
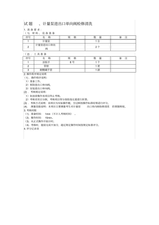
试 题、计量泵进出口单向阀检修清洗1. 准 备 要 求 :( 1).材 料 、 设 备 准 备序号名称规格数量备注1 计量泵1 台2 计量...
1单向阀的设计与仿真摘要:本文首先是在同种规格油压单流阀设计的基础上,充分考虑到水介质的低粘度、易腐蚀等理化特性,对单向阀进行初步...
单向阀三维动态流场稳定性仿真研究
1单向阀的设计与仿真摘要:本文首先是在同种规格油压单流阀设计的基础上,充分考虑到水介质的低粘度、易腐蚀等理化特性,对单向阀进行初步...
S型单向阀特点S型单向阀的作用是使油液只能向一个方向流动而另一个方向止流,如图1-1 所示。—管式连接直通单向阀—有一个方向无泄漏的封...
单向阀的工作原理及应用课件目录CONTENTS•单向阀简介•单向阀工作原理•单向阀的应用•单向阀的优缺点•单向阀的发展趋势与未来展望01单向...
液压气动与密封/2014年第04期张耀新,胡兆华,刘强(河南航天液压气动技术有限公司,河南郑州451191)收稿日期:2013-08-19作者简介:张耀...
单向阀在天然气管道中的功能单向阀的安全保护功能我们知道天然气站场远程控制的自动放空阀下游均设有单向阀,而所有手动放空阀(如分离器放...
1闭锁接头2•同时切断进气口和排气口来达到阻止活塞运动的控制•成对安装,直接安装于气缸上.●特征3流体:-压缩空气软管:Nylon,Polyurethan...
工程机械HydrostaticsandHydrodynamics液压·液力第43卷2012年10月通转子泵所特有的外转子滑动系数出现极大值的现象,减少了磨损,同时增加...
第1页共30页编号:时间:2021年x月x日书山有路勤为径,学海无涯苦作舟页码:第1页共30页消防泵单向阀中核苏阀正朝着集团型现代化企业的方向...
消防泵单向阀中核苏阀正朝着集团型现代化企业的方向发展。今年年底,中核苏阀将完成退城进区,整体搬迁改造的计划。公司紧紧抓住“退城进区...
华侨大学机电及自动化学院本科毕业设计(论文)毕业设计(基础研究报告)题目多种连接方式的单向阀的优化设计学院机电及自动化学院专业机械...

