电脑桌面
添加小米粒文库到电脑桌面
安装后可以在桌面快捷访问

计量泵进出口单向阀检修

计量泵进出口单向阀检修_第1页
1/2
计量泵进出口单向阀检修_第2页
2/2
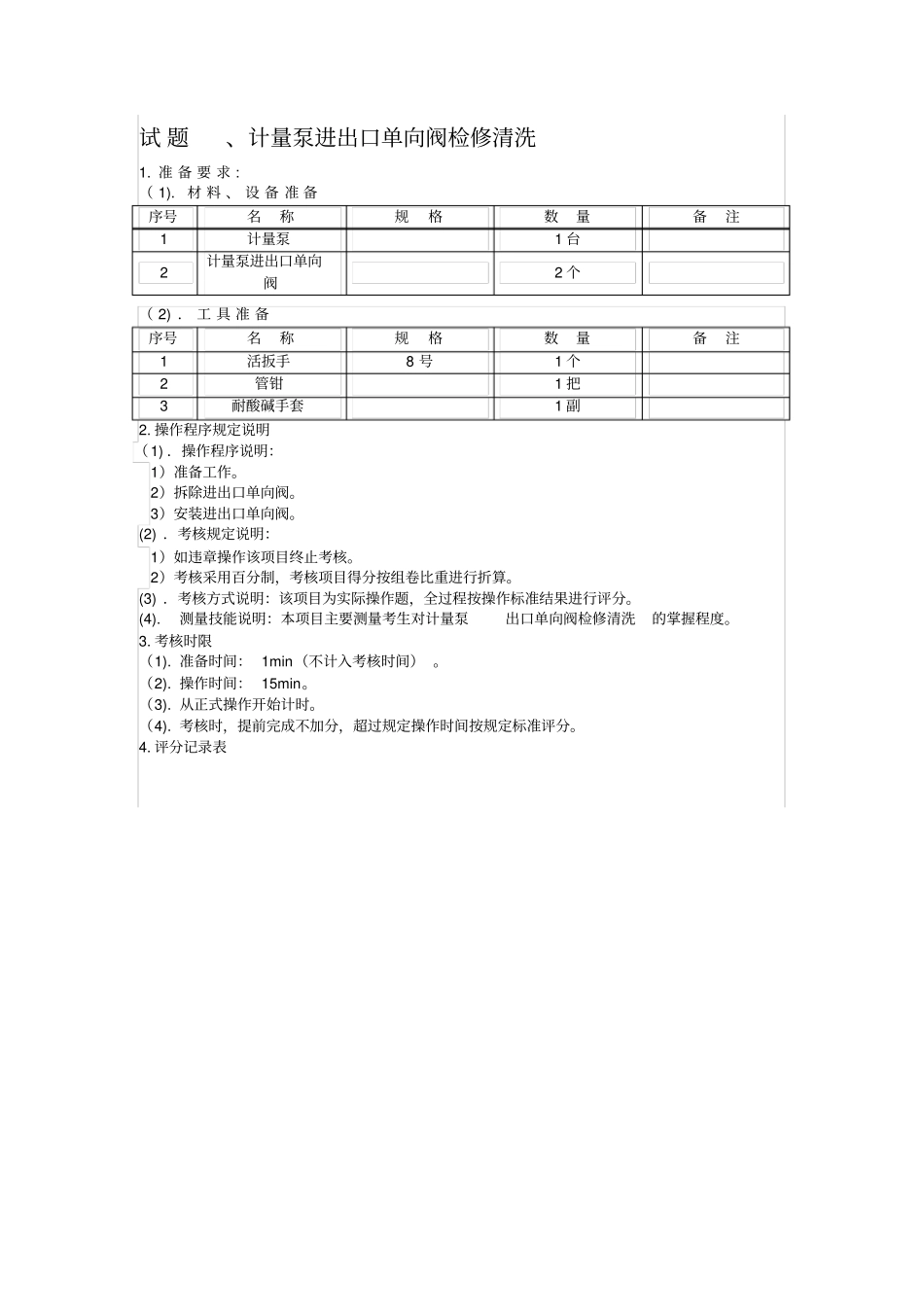
试 题、计量泵进出口单向阀检修清洗1. 准 备 要 求 :( 1).材 料 、 设 备 准 备序号名称规格数量备注1 计量泵1 台2 计量泵进出口单向阀2 个( 2) . 工 具 准 备序号名称规格数量备注1 活扳手8 号1 个2 管钳1 把3 耐酸碱手套1 副2. 操作程序规定说明(1) .操作程序说明:1)准备工作。2)拆除进出口单向阀。3)安装进出口单向阀。(2) .考核规定说明:1)如违章操作该项目终止考核。2)考核采用百分制,考核项目得分按组卷比重进行折算。(3) .考核方式说明:该项目为实际操作题,全过程按操作标准结果进行评分。(4). 测量技能说明:本项目主要测量考生对计量泵出口单向阀检修清洗的掌握程度。3. 考核时限(1). 准备时间: 1min(不计入考核时间) 。(2). 操作时间: 15min。(3). 从正式操作开始计时。(4). 考核时,提前完成不加分,超过规定操作时间按规定标准评分。4. 评分记录表中 国石油 天然气 集团公 司职业 技能 鉴定统 一试卷通 用 基 本 操 作 技 能 高 级 考 核 评 分 记 录 表现 场 号 :工 位 :性 别 : . 试 题 名 称 :计 量 泵 的 切 换考 核 时 间 :15min序号考核内容评 分 要 素配分评 分 标 准检测结果扣分得分备注1 准备工作选择工具5 选错一件扣2 分2 拆除进出口单向阀将泵的行程调至50%,拆开出入口法兰或连接锁母。10 未调整行程扣5 分拧下入口阀本体,取出入口阀球。15 未取出球体扣5 分拧下出口阀本体,取出出口阀球。15 未取出球体扣5 分清洗进入口阀本体,检测阀球阀座的配合严密性。15 未检查严密性扣10 分3 安装进出口单向阀装好出口阀,拧紧螺母10 装反单向阀扣10 分装好入口阀, 拧紧螺母。10 装反单向阀扣10 分连接出入口法兰或连接锁母。10 未连接出入口法兰或连接锁母扣 5 分打 开 进 口 阀 门进 行 排空,检查连接点是否泄露。10 未打开进口阀进行排气扣5分4 安全文明操作按国家或企业颁布的有关规定执行。违规操作一次从总分中扣除5 分,严重违规停止本项操作。5 考核时限在规定时间内完成超时停止操作考核。合计100 考评员:核分员:年月日

1、当您付费下载文档后,您只拥有了使用权限,并不意味着购买了版权,文档只能用于自身使用,不得用于其他商业用途(如 [转卖]进行直接盈利或[编辑后售卖]进行间接盈利)。
2、本站所有内容均由合作方或网友上传,本站不对文档的完整性、权威性及其观点立场正确性做任何保证或承诺!文档内容仅供研究参考,付费前请自行鉴别。
3、如文档内容存在违规,或者侵犯商业秘密、侵犯著作权等,请点击“违规举报”。

碎片内容

计量泵进出口单向阀检修

确认删除?
VIP
微信客服
  • 扫码咨询
会员Q群
  • 会员专属群点击这里加入QQ群
客服邮箱
回到顶部