烧成窑尾施工组织设计精品 word 文档可以编辑(本页是封面)【最新资料 Word 版 可自由编辑!!】下载后可任意编辑文件编号: 编制:...
下载后可任意编辑本页为作品封面,下载后可以自由编辑删除,欢迎下载!!! 精 品文档1【精品 word 文档、可以自由编辑!】华润富川水...
下载后可任意编辑目录1.工程概况2.编制依据3、施工部署4、施工方法及技术措施5、安全文明施工6、质量保证措施7. 施工进度计划和劳动力需用...
下载后可任意编辑合 同 号: CON-PR-SYSY-080(2024-4003-4005)白俄罗斯日产 5000 吨水泥熟料生产线项目窑尾客货电梯下载后可任意编...
关于窑尾密封技改的申请报告(完) 关于窑尾密封技改的申请报告 公司领导:我部烧成车间回转窑窑尾原使用单层鱼鳞片式密封,在近一年的使用...
下载后可任意编辑洛阳理工学院毕业设计(论文)开题报告系(部):材料科学与工程系 2024 年 03 月 17 日 (学生填表)课题名称牡丹...
下载后可任意编辑突然事件应急预案与窑尾框架及预热器安装安全技术方案汇编突然事件应急预案根据中华人民共和国《安全生产法》和国务院《建...
表C1-3工程名称烧成窑尾交底部位-0.85m-13.06m砖砌体工程编号11038-1801-JZS-02日期2011年11月18日交底内容:砌砖墙本技术交底适用于一般砖...
题目针对设备隔震的钢结构窑尾的地震反应研究TitleStudyonseismicresponseofsteelstructureofkilnequipmentisolation摘要钢结构窑尾具有能...
题目针对设备隔震的钢结构窑尾的地震反应研究TitleStudyonseismicresponseofsteelstructureofkilnequipmentisolation摘要钢结构窑尾具有能...
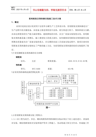
第53页共13页编号:时间:2021年x月x日书山有路勤为径,学海无涯苦作舟页码:第53页共13页窑尾框架及预热器安装施工技术方案1、概述该项目...
水泥窑尾烟气湿法脱硫技改介绍1生产简介中材亨达水泥有限公司(以下简称亨达水泥)成立于2006年1月,拥有2条5000t/d生产线,年产水泥300万...
石灰回转窑窑尾粉尘超低排放的对策摘要:针对鞍钢股份有限公司鲅鱼圈钢铁分公司石灰回转窑窑尾粉尘未达到超低排放标准的问题,采取了优化除...
水泥窑尾烟气SCR脱硝技术一前言2015年全国氮氧化物排放量1851.9万吨,其中,水泥排放氮氧化物约占全国排放总量的10%,仅次于火电和机动车行...
关于窑尾密封技改的申请报告(完)技改资金申请报告内容详解_资金申请报告国家发改委和相关部门在制定九大行业振兴规划时把“加强企业的技术...
窑尾框架及预热器安装施工技术方案1、概述该项目是南京设计院采用干法窑外分解生产工艺所设计的,窑尾框架及预热器是全厂生产过程中的关键...
第1页共9页编号:时间:2021年x月x日书山有路勤为径,学海无涯苦作舟页码:第1页共9页采取综合措施治理窑尾粉尘污染摘要:某水泥厂窑尾系统...
题目针对设备隔震的钢结构窑尾的地震反应研究TitleStudyonseismicresponseofsteelstructureofkilnequipmentisolation摘要钢结构窑尾具有能...
题目针对设备隔震的钢结构窑尾的地震反应研究TitleStudyonseismicresponseofsteelstructureofkilnequipmentisolation摘要钢结构窑尾具有能...
关于窑尾密封技改的申请报告(完)技改资金申请报告内容详解_资金申请报告国家发改委和相关部门在制定九大行业振兴规划时把“加强企业的技术...

