施工图会审汇报材料关于施工图纸会审情况的报告我部于二〇一四年八月二十日组织技术人员踏勘现场,并对本合同段的施工图纸进行了会审,发现...
施工图会审管理规定学习与会审建筑图纸的技巧和方法算量与建筑看图关系密切,哪怕就是单单做钢筋算量,也必须学会看懂建筑施工图,譬如《混...
县国土资源局采矿权审批会审制度大全根据《矿产资源开采登记管理办法》(国务院第241号令)的规定,开采下列矿产资源,由国土资源部审批登...
土地出让会审制度为提高土地登记的规范化程度及工作效率,保证土地登记结果的真实准确、合法有效,充分体现透明、公开、公平、公正、廉洁自...
国家审计和社会审计在企业审计中的异同及相互借鉴初探国家审计和社会审计都是我国审计组织体系的重要组成部分,在提高财务信息质量,维护国...
图纸会审注意事项汇总图纸会审工作首先应熟悉施工图、如:建筑平面图、建筑立面图、建筑剖面图、建筑详图结构施工图、设备图等。1、会审图...
图纸审查注意事项发现施工图中问题,集中汇总,列出问题的部位和需更改的内容,提供给设计单位。组织设计交底,将提出的问题形成解决方案文...
图纸会审制度一、施工图纸会审是施工前的一项重要技术准备工作。会审前要认真熟悉图纸,了解设计意图,对各专业施工图中的疑难问题和差错,...
图纸会审工程名称潇湘·北京太阳城(原永州德润·东海岸)建设工程日期2015年11月25日地点施工项目部会议室序号提出的图纸问题(结构)图纸...
图纸会审一般包括的主要内容2009-04-0516:58图纸会审一般包括的主要内容(1)是否无证设计或越级设计;图纸是否经设计单位正式签署。(2)地质...
景观图纸会审要点再次确认设计范围与覆盖内容是否正确、全面。再一次确认与提供的设计条件(如消防审批要求、停车审批要求、绿化面积审批...
图纸会审问题和答复记录表工程名称:黄草镇湖滨湿地建设工程共2页第2页会审地点:资兴市会审时间:2017年5月3日会审议定事项图纸编号提出的...
图纸会审流程发文部门行政部文件编号XZB-015页码第1页共11页图纸会审流程(首页封皮)(原件1份,报行政部主任存档)编制部门:工程部编制...
图纸会审记录工程名称金牛区成灌路两侧500米及土桥场镇片区改造基础设施及公建配套项目(土桥板块)会审时间2011年7月4日参加人员建设单位中...
施工图纸会审记录工程名称安徽省江南产业集中区起步区大别山路等七条道路路面工程(汉江路道路工程)共1页第1页会审地点项目部会议室记录整...
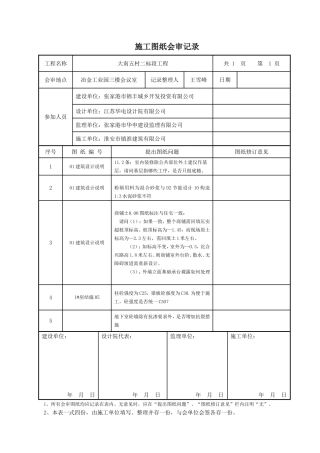
施工图纸会审记录工程名称大南五村二标段工程共1页第1页会审地点冶金工业园三楼会议室记录整理人王雪峰日期参加人员建设单位:张家港市锦丰...
施工图纸会审记录工程名称乌力吉口岸服务中心共7页第1页会审地点乌力吉口岸建设指挥部会议室记录整理人日期参加人员建设单位:设计单位:监...
图纸会审记录编号:HS-0012014年2月21日工程名称长睦单元R22-08地块小学单位工程地点专业名称序号图号图纸问题图纸问题交底1、改动部分水磨...
第1页共10页图纸会审记录表编号:DSEQ-2014-01填表日期:2014年9月18日工程名称新蒲镇大山地质灾害搬迁工程(二期)项目楼栋号专业结构、建...
第1页共10页图纸会审记录表编号:DSEQ-2014-01填表日期:2014年9月18日工程名称新蒲镇大山地质灾害搬迁工程(二期)项目楼栋号专业结构、建...

