把电流表改装成电压表试验误差分析问题:把电流表改装成电压表后,用改装的电压表测量导体两端的电压,测量值是准确的吗?如不准确,测量值...
衡水学院毕业设计文献综述题目: 基于单片机的数字电压表的设计学生姓名:李强系 别:物理与电子信息系专 业:电子信息工程年 级:2025...
基于单片机的交直流数字电压表的设计一、前言 数字电压表是诸多数字化仪表的核心与基础,电压表的数字化是将连续的模拟量如直流电压转换成...
大连东软信息技术职业学院高职毕业设计( 论文) 系 所: 电子工程系 专 业: 嵌入式系统工程 学生姓名: 学生学号: 指导老师: 导师...
数字电压表的设计第 1 章 引言在电量的测量中,电压、电流和频率是最基本的三个被测量,其中电压量的测量最为常常 .而且随着电子技术的...
1、绪论................................................31 、 1 课程设计要求 ...................................... 1 1 、 ...
1 引言单片机是指一个集成在一块芯片上的完整计算机系统。尽管它的大部分功能集成在一块小芯片上,但是它具有一个完整计算机所需要的大部...
第十五章 恒定电流专题三 电压表和电流表 电阻的测量【知识要点】一、常用电压表和电流表的表头常用电压表和电流表都是由小量程的电流表...
・・・・・・虚拟仪器课程设计报告虚拟数字电压表的设计目录一、 实验要求-.0.-二、 实验原理三、 设计思路-.1.-1前面板的设计・2,流程...
题目: 基于 CPLD 的智能数字电压表设计一、本课题设计(讨论)的目的:1. 锻炼对系统设计的认识,提高了对整个系统设计的全面把握能力...
四路数字电压表设计摘 要随着微电子技术得不断进展,微处理器芯片得集成程度越来越高,单片机已可以在一块芯片上同时集成 CPU、存储器、定...
单片机-数字电压表(22 页)Good is good, but better carries it.精益求精,善益求善。第 1 章 概 述本次设计是利用单片机的原理...
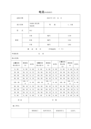
电流表试验报告试验日期2025 年 9 月 24 日表计名称10AH01 高压柜电流表等 级1、5 级型 式6L2相别A 相编号1150B 相编号1324C ...
题 目:基于 51 单片机的简易数字电压表的设计系 部:专 业:班 级:学生姓名:学 号:指导老师: 日 期:目 录毕业设计任务书.....
江苏农林职业技术学院 毕 业 设 计(论 文)SNL/QR7.5.4-3 基于单片机的简易数字电压表设计专 业 10 电气自动化 学生姓名 钱霞...
基 于 单 片 机 的 简 易 数 字 电 压 表 的 设 计摘要 本文介绍了一种基于单片机的简易数字电压表的设计。该设计主要由三...
本科生毕业论文(设计) 题目: 基于单片机的直流数字电压表 学 部 信息科学与工程学部 学科门类 工学 专 业 电气工程及其自动化...
本科生毕业论文(设计) 题目: 基于单片机的直流数字电压表 学 部 信息科学与工程学部 学科门类 工学 专 业 电气工程及其自动化...
本科生毕业论文(设计) 题目: 基于单片机的直流数字电压表 学 部 信息科学与工程学部 学科门类 工学 专 业 电气工程及其自动化...
基于单片机的数字电压表设计 西南科技大学城市学院CityCollegeofSouthwestUniversityOfScienceandTechnology[摘 要] 本文介绍了一种基于...

