GB50243-2002楼合综省南河部坯名统调空代称项知名A7侧南/|\统风新层六号他图8-31±量口风量量/31X/32/3/381X/38/37/3/351X/38/381X/37/502/...
某主楼装饰工期和文明标化管理目标文明标化:确保达到 XX 市市级"文明施工场地"标准。1.场容场貌管理措施(1)在施工现场,设置安全宣传...
目录第一章 工程概况................................................................8第 1 节 建设概况.............................
工程编号: ZJXM101 合同编号: 20111115 镇江益华广场一期工程1#主楼支护工程施工合同发包人:镇江华龙广场置业有限公司 承包人:常...
1. 编制依据1.1 投标时的《施工组织设计》。1.2 《项目管理目标责任书》。1.3 工程项目的施工图。1.4 施工合同、现场情况及相关文件...
目 录第一章 编制说明............................................................................................1第一节 编制依...
目 录第一章 编制说明............................................................................................1第一节 编制依...
公寓主楼改造工程施工组织设计施工单位: 编制人:审核人: 审批人:2013 年 3 月 25 日目 录第一章施工方案与技术措施 3一、工程...
修水县良塘新区市民中心主楼多联式空调设备采购安装招 标 文 件 项目名称: 修水县良塘新区市民中心主楼多联式空调设备采购与安装项目...
目录【第 1 章】 工程概况..............................................................................................1【第 2...
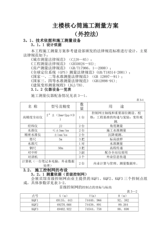
主楼核心筒施工测量方案(外控法)3。1、技术依据和施工测量设备3。1。1 设计依据本工程施工测量方案参考建设部颁发的法律规范标准进行设计...
万德福商业广场 B-43 地块项目地下人防结构加固专项方案北京刚强鸿皓建筑工程有限公司二○一五年十月目录第一章 编制说明 ...............
天津医科大学总医院第一住院楼消防装修提升改造工程项目建议书建设单位:天津医科大学总医院设计单位:天津市建筑设计院2024 年 5 月 ...
目录【第 1 章】 工程概况..............................................................................................1【第 2...
目 录一、工程概况.........................................................................2二、塔吊主要参数性能 ...................
建筑给水排水室内给水给水管道及配件安装6 批每层为一检验批室内消火栓系统安装6 批每层为一检验批给水设备安装6 批每层为一检验批管道...
目录1 工程概况......................................................................................................................
目录错误!未找到目录项。第一章编制依据一、 河北大学教学主楼建筑、结构、给排水、空调、电气安装施工图纸。二、 国家有关现行施工验收...
目 录第一章 编制说明............................................................................................1第一节 编制依...
广东电视中心二期工程主楼二次装修工程施工专业承包招标文件招标文件招 标 单 位:广东省播送电影电视局招标代理单位:广州市财贸建设开...

