新建铁路连盐(淮)线徐圩港区支线工程控制测量技术设计方案中铁第X勘察设计院集团有限公司2014年2月北京新建铁路连盐(淮)线徐圩港区支线...
四等水准测量外业观测记录表观测日期:记录员:测站编号点号后尺上丝前尺上丝方向及尺号标尺读数K+黑-红(mm)高差中数(m)备注下丝下丝后视距...
四等水准测量课件目录contents•四等水准测量的基本概念•四等水准测量的工具与设备•四等水准测量的方法与步骤•四等水准测量的误差来源与...
四等水准测量详解课件目录contents•四等水准测量的基本概念•四等水准测量的操作流程•四等水准测量的精度要求与误差分析•四等水准测量的...
01Chapter水准测量的定义总结词详细描述水准测量的原理总结词水准测量的原理是利用水准仪的水平视线,将后视尺读数与前视尺读数进行比较,...
6.6.1三、四等水准测量的主要技术要求三、四等水准路线一般沿道路布设,尽量避开土质松软地段,水准点间的距离一般为2~4Km,在城市建筑区...
四等水准测量作业方法及要求1、采用的仪器设备苏一光DSZ2+双面区格式木制标尺2、作业前仪器检验i角检查:i角检查仪器:苏一光DSZ2方法:I1AB...
实训三四等水准测量(双面尺法)一、目的和要求(1)进一步熟练水准仪的操作,掌握用双面水准尺进行四等水准测量的观测、记录与计算方法。...
密级:编号:XX学院XX班实训项目控制测量技术设计书审核意见:审核人(签名):年月曰XX学院XX实训项目控制测量技术设计书项目承担单位(盖...
三、四等导线测量规范冃I」言本标准根据《国家三角测量有精密导线测量规范》中有关导线测量部分,并顾及城市测量、工程测量、地籍测量的有...
三、四等水准测量(2008-10-1023:27:42)三、四等水准测量控制测量除了要完成平面控制测量外,还要进行高程控制测量。小区域地形测图或施工测...
四等水准及闭合导线测量实习报告
图1闭合水准路线示意图第三部分四等水准测量竞赛规则1)执行规范参照《GB/T12898-2009国家三、四等水准测量规范》。2)水准路线形式三个未...
交通工程学院制作者:王江题目:四等水准测量题目:四等水准测量四等水准测量是为地形测图和各类工程建四等水准测量是为地形测图和各类工程...
图1闭合水准路线示意图第三部分四等水准测量竞赛规则1)执行规范参照《GB/T12898-2009国家三、四等水准测量规范》。2)水准路线形式三个未...
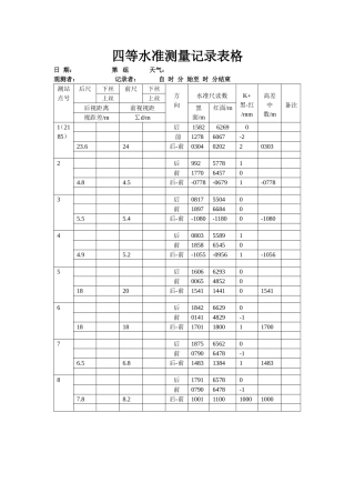
四等水准测量记录表格日期:第组天气:观测者:记录者:自时分始至时分结束测站点号后尺下丝前尺下丝方向水准尺读数K+黑-红/mm高差中数/m备...
四等水准测量的实习报告一.实习的目的和要求目的:(1)进一步熟练水准仪的操作,掌握用双面水准尺进行四等水准测量的观测、记录与计算方...
四等水准测量毕业设计【篇一:四等水准测量、毕业设计】湖南安全技术职业学院毕业设计项目名称:校内四等水准测量学生姓名:刘帆专业班级:...
工程测量实训方案设计书一、任务实训项目名称:四等水准测量二、实训目标:(一)、目的和要求(1)进一步熟练水准仪的操作,掌握用双面水...

