施工单位:四川武通路 合同段:TJ9监理单位:河北翼民工 单位工程子单位工程分部工程子分部工程分项工程子分项工程名称及桩号名称及位置...
单位工程分部工程分项工程工 序质检表名称及编号填表说明备注基坑构造物明挖基底工序检验单(通用-1表)附测量资料砌筑砌体工程施工记录(施...
桥梁工程分部(子分部)、分项工程序号及检验批汇总表 分部 工程 (序号) 子分部 工程 (序号) 分项工程(序号) 检验批验收记录...
1 铁路 桥梁工程施工作业要点示范卡片 铁路客运专线有限责任公司 二〇一〇年三月十日 2 目 录 1 、基本作业 ·········...
《桥梁工程》习题及答案 1 一、填空题 1) 公路桥梁的作用按其随时间变化的性质,分为永久作用、可变作用、偶然作用。 2) 按结构体系...
桥梁工程习题 第一章 绪论 一、名词解释 1.桥梁建筑高度 2.计算跨径(梁式桥) 3.标准跨径(梁式桥) 4.净跨径 5.桥梁全长 6.桥跨...
桥 梁 工 程 中 , 箱 梁 跟 空 心 板 梁 的 区 别 是 什 么 : 外 观 : 空 心 板 梁 的 截 面 高 度 较...
3.2.3 阶段工期根据招标要求施工工期分阶段工期安排见表3-2-1。表3-2-1 施工工期分阶段工期安排序号工程项目本标段阶段工期计划开工日期...
1 桥 梁 主 要 工 程 量 计 算 公 式 说 明 一、桥墩 本桥桥墩,共有多种形式,1、2、3 号墩为柱式桥墩,4 号墩为空心桥...
土木工程英语证书考试(PEC)-桥梁工程术语大全 结构控制 structural control 结构控制剂: constitution controller 裂缝宽度容许值 ...
结构控制 structural control structure control 结构控制: structural control 結構控制: structural control 结构控制剂: co...
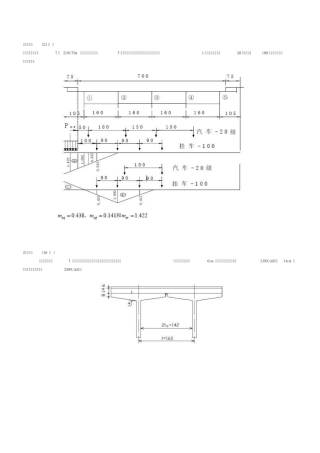
1、计算题(21 分 ) 一桥面净空为净—7 附 2×0.75m 人行道的钢筋混凝土T 梁桥,共设五根主梁。试求荷载位于支点处时1 号梁相应于汽...
第六章 “分析”中的常见问题 6 .1 为什么稳定分析结果与理论分析结果相差很大?(是否考虑剪切对稳定的影响) 具体问题 当采用I56b...
第一章 “文件”中的常见问题 ........................................................................................... 2 1.1...
计算长度(cm)螺旋筋直径(mm)螺旋筋种类混凝土种类螺径(cm)螺距(cm)顶部和底部螺旋筋长(cm)每延厘米螺旋筋长螺旋筋总长(cm)808R235C2550.191...
桥梁工程实习报告 第一章 概述 通过三年的大学学习,我们对土木工程这个专业有了更深刻的认识,也学到了很多这个方面的知识。通过对桥梁...
定额人工费人工费价差材料费1040301004001机械成孔灌注桩: 桥墩钻孔灌注桩,桩径Φ 1200mm,水下商品混凝土C25,桩长60M/根,共44根,钢护筒,...
1 ( 县 级 公 路 管 理 机 构 名 称 ) 1.路 线 编码 2.路 线 名 称 3.桥 位 桩 号 4.桥 梁 编码 5.桥 梁 ...
1 某某桥梁工程 安 全 监 理 细 则 编制: 审核: 某某监理公司 日期: 2 目 录 一、施工准备阶段的安全监理 (1 ) 检...
桥梁变形观测实施方案 桥梁安全监控定期变形观测 实施方案 桥梁变形观测实施方案 - 1 - 目 录 一、 概 述 ......................

