桥梁专用模板项目可行性研究报告(立项+批地+贷款)编制单位:北京中投信德国际信息咨询有限公司编制时间:二〇二四二〇二四年十一月咨询师...
第1页共50页编号:时间:2021年x月x日书山有路勤为径,学海无涯苦作舟页码:第1页共50页桥梁大师2006(企业版)软件操作流程北京中交跨世纪...
第1页共8页编号:时间:2021年x月x日书山有路勤为径,学海无涯苦作舟页码:第1页共8页橋梁工程論壇(2010)ForumonBridgeEngineering-2010宗...
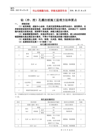
第1页共16页编号:时间:2021年x月x日书山有路勤为径,学海无涯苦作舟页码:第1页共16页钻(冲、挖)孔灌注桩施工监理方法和要点一、控制目...
第1页共46页编号:时间:2021年x月x日书山有路勤为径,学海无涯苦作舟页码:第1页共46页桥梁钢材结构件项目可行性研究报告(摩森咨询·专业...
第1页共13页编号:时间:2021年x月x日书山有路勤为径,学海无涯苦作舟页码:第1页共13页武广客运专线桥梁课题研究之六岩溶地区钻孔桩施工技...
第1页共35页编号:时间:2021年x月x日书山有路勤为径,学海无涯苦作舟页码:第1页共35页桥梁结构加固设计与施工关键技术研究3桥梁改造加固...
苏州青年旅行社股份有限公司园区星海部(十佳营业部)园区湖东邻里中心营业部24小时报名热线:4001-1212-00http://www.917trip.cnhttp://ww...
道路桥梁管理中心支部书记党建工作总结上半年道路桥梁管理中心党建工作总结半年来,在委党委的领导下,在道桥中心全体党员大力支持下,我认...
第1页共41页编号:时间:2021年x月x日书山有路勤为径,学海无涯苦作舟页码:第1页共41页桥梁主体工程桥梁工程防腐涂装HSE体系管理制度编制...
施工测量放样报验单工程名称:施工标段:编号:致(项目监理机构):根据合同要求,我单位已完成南溪特大桥35#墩墩柱桩基的施工测量放样工...
XXX工程水土保持方案目录目录1综合说明..................................................................11.1项目概况及项目区概况.......
第1页共12页编号:时间:2021年x月x日书山有路勤为径,学海无涯苦作舟页码:第1页共12页桥梁工程施工组织有关问题的探讨根据近几年的市场招...
省道219线灯笼河子-赤峰段公路工程填前地表处理原始记录表承包单位:合同号:监理单位:山西正达通畅建设工程监理有限公司编号:原表LJ01施...
第1页共8页编号:时间:2021年x月x日书山有路勤为径,学海无涯苦作舟页码:第1页共8页桥梁加固工程施工技关键词:桥梁加固桥梁施工技术桥梁...
第86页共4页编号:时间:2021年x月x日书山有路勤为径,学海无涯苦作舟页码:第86页共4页桥梁与隧道工程专业硕士研究生培养方案学科门类工学...
第1页共17页编号:时间:2021年x月x日书山有路勤为径,学海无涯苦作舟页码:第1页共17页广州南部地区(仑头至龙穴岛)快速路工程SD12标K21+...
第0页共187页编号:时间:2021年x月x日书山有路勤为径,学海无涯苦作舟页码:第0页共187页云南省绥江县新城大桥施工组织设计编制人:审核:...
目录1编制原则及依据..................................................................................................................
第1页共93页编号:时间:2021年x月x日书山有路勤为径,学海无涯苦作舟页码:第1页共93页桥梁施工监理实施细则桥梁工程质量控制的一般要求1....

