STARDOM 系统概述极光自动化0 日本横河公司集散控制系统(DCS)STARDOM概述1、DCS 硬件的详细描述及控制功能横河电机 (YOKOGAWA)是专...
无土栽培营养液自动控制系统的最佳方案设计摘要:分析了无土栽培养液配比设备的设计要求,给出设计要求表, 并确定功能参数,进行功能分析...
目录1 前言 ............................................................................................................... - 0...
1 引言无刷直流电机最本质的特征是没有机械换向器和电刷所构成的机械接触式换向机构。现在,无刷直流电机定义有俩种:一种是方波/ 梯形波...
楼宇智能照明控制系统设计方案新楼房的建设要适应网络时代的发展,应引入智能化的概念。在传统的楼宇自控系统中,一般只包括了综合布线、计...
基 于 PLC 的 洗 碗 机 的 自 动 控 制 系 统 的 设 计 机 自 112 1 引 言 随 着 数 字 信 息 家 用 电 ...
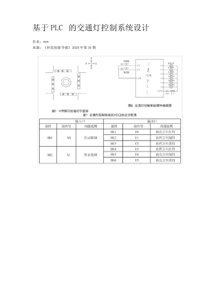
基 于 PLC 的 交 通 信 号 灯 控 制 系 统 设 计 摘 要 古 老 的 交 通 灯 控 制 系 统 大 多 是 由 数 ...
专 利 名 称 : 基 于 流 量 检 测 的 智 能 交 通 灯 控 制 系 统 模 拟 实 验 装 置专 利 类 型 : 实 ...
编 号 : 审 定 成 绩 : 重 庆 邮 电 大 学 课 程 ( 综 合 ) 设 计 报 告 设 计 题 目 : 基 于 51 单...
开 题 报 告 毕 业 设 计( 论 文 ) 题目 基 于 PLC 的 全 自 动 洗 衣 机 控 制 系 统 题 目 类 型 工 ...
智 能 交 通 灯 控 制 系 统 的 设 计 1 上 海 交 通 大 学 学 号 专 业 ( 班 级 ) 2 基 于 单 片 机 ...
基于单片机的节水灌溉控制系统设计
. I . . r . . ********学 院 毕 业 设 计 基 于 PLC 的 豆 浆 机 控 制 系 统 设 计 姓 名 ******** 院 (...
1 目 录 目 录 ................................................................... 1 第 一 章 绪 论 ......................
农 业 智 慧 温 室 大 棚 控 制 系 统 维 护 合 同 范 本 甲 方 ( 委 托 方 ) : _____________ 地 址 :...
毕 业 设 计 论 文 论 文 题 目 : 基 于 PLC 的 过 滤 流 程 控 制 系 统 学 生 姓 名 : 班 级 学 号 ...
1 / 33 前 言 温 度 控 制 是 无 论 是 在 工 业 生 产 过 程 中 ,还 是 在 日 常 生 活 中 都 起 着 非...
基 于 51 单 片 机 的 温 度 控 制 系 统 设 计 与 实 现 1. 系 统 设 计 概 述 温 度 控 制 系 统 是 智...
基 于 PLC 的 全 自 动 洗 衣 机 控 制 系统 设 计 LT西 安 工 程 大 学 课 程 设 计 ( 报 告 ) 1 西 ...
基 于 51 单 片 机 的 太 阳 能 热 水 器 控 制 系 统 设 计 一 、 本 文 概 述 随 着 全 球 对 可 再 生...

