FameView 组态软件在锅炉控制系统中应用FameView 组态软件在锅炉控制系统中应用 【摘要】 为了改变单纯依靠人工进行操作的传统冬季供暖...
ABB-EIBKNX 智能建筑控制系统智能建筑的进展,应该满足节能、绿色的要求,智能化、集成化的解决方案是满足上述要求的必定途径。ABB i-bus...
300MW 机组控制系统热控施工组织设计方案华能榆社电厂二期 2×300MW 机组操纵系统要紧采纳分散操纵系统(DCS),其子功能有:数据采集和处...
合同编号:XXXXXXXX 广州 xxx 塔夜景照明灯具及控制系统采购合同项 目 名 称:广州 xxx 塔夜景照明灯具及控制系统采购 买方(甲方...
高尓夫球场灯光自动化控制系统说明高尓夫球场灯光自动化控制系统说明传统的光源控制, 合上开关灯就点亮, 关闭开关, 灯就熄灭, 就是这么...
题 目:基于 51 单片机的定时控制系统设计 专 业: 计算机技术与基础 班 级: 2025 年春季班 学 号: 11030107110001 姓 名: ...
前 言随着改革的不断深化,社会主义市场经济的不断繁荣和开展,个大中小城市都在进行亮化工程。个企业为宣传自己企业的形象和产品,均采纳广...
铁路抑尘站 PLC 喷洒控制系统的设计摘要:随着经济的快速进展,煤炭生产企业运量快速增长。在煤炭运量快速增长的同时,煤炭运输和装车引起...
采纳 PLC 的锅炉燃烧控制系统 -11-17 来源: 中国自动化 浏览: 599 [推举朋友] [打印本稿] [字体: 大 小] 1、 引言燃烧控制系...
酒店管理客房 酒店客房智能化网络控制系统一、 系统设计总体目标 根据实际情况, 将每间客房的灯光、 空调、 音响、 服务功能全部集...
一、 软件安装说明 软件安装包括 THVLW2.0 USB 采集卡驱动程序安装和配电变压器有载无弧自动调容控制系统软件安装。二、安装 THVLW2....
过程控制仪表与系统题目: 工业含硫废气控制系统方案设计 学 院: 信息 科学与工程学院 专 业 班 级: 测控技术与仪器 1 5 0 ...
输煤机传送带控制系统一、实验目:1. 掌握 Omron-CPM1A 可编程控制器安装、I/O 接线、I/O 信号测试;2. 掌握 Omron-CPM1A 袖珍编程...
摘 要: 本设计是用 PLC 来实现对十字路口交通信号灯的控制,其控制方法是采纳西门子的 S7-200 系列 CPU224 型号 PLC 对东西南北...
论机电控制系统的控制方式论机电控制系统的控制方式 【摘要】:电子技术与计算机技术的进展,使得当时的机电控制技术逐渐向现代控制技术进...
第 1 章 习 题B 习 题B1-1 举例说明 2—3 个你熟悉的计算机控制系统,并说明与常规连续模拟控制系统相比的优点。B1—2 利用计算...
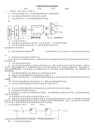
计算机控制系统试卷四答案班级: 姓名: 学号: 成绩:一、简答题 (每小题 3 分,共 30 分)1。 使用光电隔离器件时,如何做到器件...
学 号: 0121011360424课 程 设 计题 目温度控制系统设计学 院自动化学院专 业自动化专业班 级自动化 1004 班姓 名邓智斌指导...
计算机控制系统试题一、选择题(只有一个正确答案,每题 2 分,共 40 分)1.劳斯稳定判据在离散系统中主要解决的是( C )。 A、S...
第一章 概论,讲述计算机控制系统的进展过程;计算机控制系统在日常生活和科学讨论中的意义;计算机控制系统的组成及工作原理;计算机控制...

