电脑自动重启的缘由,内存导致电脑自动重启电脑自动重启的缘由,内存导致的自动重启 ●故障现象:近日,笔者将老电脑升级为接受 VIA KT2...
电脑自动关机的缘由有哪些 遇到电脑〔自动关机〕或重启这类问题,我们需要看看 CPU 温度是不是正常。电脑 CPU 散热不佳,可能引起电脑...
电脑开机自动重启六大解决方法! 电脑假如使用的时间长了以后,多多少少也是会发生一些故障的,比方说有的电脑它会自动重启,下面我就来给...
六、自动变速器电气线路图广州本田自动速器电气线路如图 10-2-96~图 10-2-102 所示。图 10-2-96 自动变速器系统电路全图图 10-2-97 ...
生活废水跨层自动有序流动再利用系统 何 文 亮内容摘要:对各种生活废水再利用方式比拟后认为,跨层生活废水再利用自动序流方式是投资最...
环境噪声自动监测系统技术要求(暂行)1 适用范围本内容规定了环境噪声自动监测系统的技术要求,适用于环境噪声监测及噪声源监测的噪声自...
自动喂料系统、肉鸭料线、消毒降温系统、鸭用供水系统、肉鸡供水系统、蛋鸡供水系统、调压器和过滤器、肉种鸡安全网底、风机湿帘、水比例自...
课程代码:课程名称:电力拖动自动控制系统、单选(本大题共小题,每小题分,共分)异步电动机串级调速系统中,串级调速装置的容量()。随...
JZC-G 激 光 自 动 安 平 垂 准 仪( 天 顶 仪 )用 于 建 筑 物 和 水 坝 坝 体 的 变 形 观 测编号:T/版本...
淘小秘自动发货软件使用教程目 录目 录............................................................................1一、安装运行.....
浙江省简易自动喷水灭火系统设计、施工、维护技术规定 为了提高建筑抗御火灾的能力,有效的预防群死群伤事故的发生,保护人民生命财产平安...
智能自动过磅管理系统媒厂、钢铁厂、电厂、矿厂每天有大量的煤炭、矿物等货物运输车辆进出,需要进行停车、登记、称重等程序,由操作人员将...
目录目录----------------------------------------------------------------1 第1节 自动回转刀架总体设计----------------------------...
开发“自动烹调器〞工程——商业方案书2002 年 1 月 1 日目 录1.商业方案书摘要 2. 第一章 专利制造人简介 3. 第二章 专利及相...
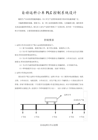
攀枝花学院本科课程设计〔论文〕自动售货机 PLC 控制系统设计 姓 名: 黄 趾 辉 学 号: 202410601065 院〔系〕: 机械工程学...
水文(水资源)自动测报系统解决方案1 组网方案简述1.1 水文自动测报系统概述水文自动测报系统属于应用现代遥测、通信、计算机技术,是完...
1水环境质量自动监测技术的发展(2004-4-23)水质污染自动监测系统(WPMS)是一套以在线自动分析仪器为核心,运用现代传感器技术、白动测量技术...
环境保护部连续自动监测(水污染)练习题一、判断题1、水样中亚硝酸盐含量高,要采用高锰酸盐修正法测定溶解氧。(X)2、纳氏试剂应贮存于...
1.概述1.1 概念为保证供电的可靠性,电力系统经常采用两个或两个以上的电源进行供电,并考虑相互之间采取适当的备用方式。当工作电源失去...
Xxx单元门厅铝合金玻璃门工程施工组织设计编制人:审核人:审批:编制单位:编制时间:二 0 一五年一月-1-施工组织设计方案一、工程概况...

