下载后可任意编辑浅谈通风空调工程施工管理与成本控制作者:卧观星空摘要:施工企业在工程项目施工过程中,要有有效的管理活动,用以对所发...
下载后可任意编辑 《建筑设备工程》论文 院 别: 建筑工程学院 指导老师: 周琦 专 业: 11 级土木工程 1 班 姓 名: 周思...
下载后可任意编辑永寿梁隧道通风调整方案讨论黄红勇(中铁隧道局集团西平铁路 XPS-2 标第三项目部)摘要:对永寿梁隧道通风调整方案的讨论...
下载后可任意编辑目 录1 编制依据2 工程概况3 施工安排4 施工准备5 主要施工方法6 质量检验与验收7 各项管理措施1下载后可任意编辑...
目 录一 、 工 程 概 况 -------------------------------------------4二 、 施 工 部 署 --------------------------------...
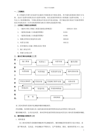
下载后可任意编辑一、工程概况 本工程通风空调专业包括车站通风空调系统及空调水系统。其中通风系统按区域可分为南、北站厅送排风系统及站...
下载后可任意编辑×××综合服务楼通风空调工程施工方案 一、编制依据: (一)工程图纸 (二)有关国家施工法律规范、规程及验评标准及...
下载后可任意编辑目 录一、编制依据:.................................................................................................
下载后可任意编辑哈尔滨地铁 1 号线一、二期工程机电设备施工安装(风、水、电)项目标段四西大桥站通风空调施工方案编 制: 审 核:...
下载后可任意编辑通风空调工程施工方法空调工程简介本工程全部为地下一层,由纵向分部的 A、B、C 三区组成,平常功能为地下商业步行街,...
下载后可任意编辑XX 商贸城通风空调工程施工方案 一﹑工程概况 本工程为 XX 商贸城通风空调工程,地下一层,地上三层,建筑面积 5211...
下载后可任意编辑目 录1、编制依据....................................................21.1 工程合同及相关文件........................
下载后可任意编辑通风防排烟工程一、工程简介:武汉市 XX 医院综合病房大楼是一个综合性的建筑,总建筑面积31299M2,建筑总高度为 41.8...
下载后可任意编辑某住宅小区地下室及会所某住宅小区地下室及会所采暖及通风工程采暖及通风工程施工方案施工方案第 1 页 共 22 页下载...
下载后可任意编辑第一章 工程概况一、编制依据:1、本项目机电设备安装工程施工组织设计编制依据为招标文件及设计图纸、国家安装工程施工...
下载后可任意编辑第一章 编制说明一、编制依据 (1)招标文件的有关要求 (2)甲方提供的施工图纸 (3)施工现场的踏勘 (4)国家相关工程建设...
《采暖通风与空气调节设计规范》(GB50019-2003)7.8.2制冷和供热机房内设备布置,应符合以下要求:1 机组与墙之间的净距不小于1m,与配电...
裕民焦煤有限公司通 防 安 全 技 术 措 施矿名: 裕 民 煤 矿施工区队:综 合 工 区措施名称: 有计划停电停风专项安全技术...
通风队岁末年初安全保证措施 通风队岁末年初安全保障措施 二〇一三年十二月五日 通风队岁末年初安全保障措施 根据城郊煤矿《关于进一步...
第一章 编制说明 1.1 编制目的 为更好地与工程总体施工组织设计相结合,明确通风与空调工程风管制作安装分项工程的施工范围及主要的施...

